• 周二. 10 月 21st, 2025

LTC6802与MCU的连接器电路设计详解 – 嵌入式类电子电路图

6 月 13, 2019

  随着环境和能源问题日益严峻,电动汽车及混合动力汽车已经成为了当今世界关注的焦点。蓄电池是EV的动力环节,但其单体端电压及容量都较小,比如广泛应用的磷酸铁锂(LiFePO4)电池端电压一般不超过3.65 V,因此常需多单体串并联组合使用来满足车辆的需求。对于车载电池包而言,一个功能完备的监控系统是非常必要的。目前国内的电池组监控设备存在两大问题:一是电池电压检测精度不高,二是电池组均衡控制的实现较复杂。针对这些问题,本文应用Linear Technology 公司新推出的电池组监控芯片LTC6802,设计了一套面向锂离子电池组的硬件监控平台。该平台设计实现的功能包括单体电压/ 温度检测、电池组均衡以及分布式CAN 通信等。

  电池监控系统整体结构

  电池组监控平台的整体结构如图1 所示。本平台设计采用分布式CAN 总线结构,首先,LTC6802 用于实现对单体电压的采集以及串联电池组的被动均衡控制;主控芯片负责接收来自LTC6802 的电压采集信息,并对LTC6802 的相关参数进行设置,此外MCU 还用于实现电池包节点温度以及电流的采集;最后MCU 将电池包的组态信息发送到CAN 通信网络。

  电池组监控平台整体结构

  图1 电池组监控平台整体结构

  LTC6802 与MCU 的连接电路设计

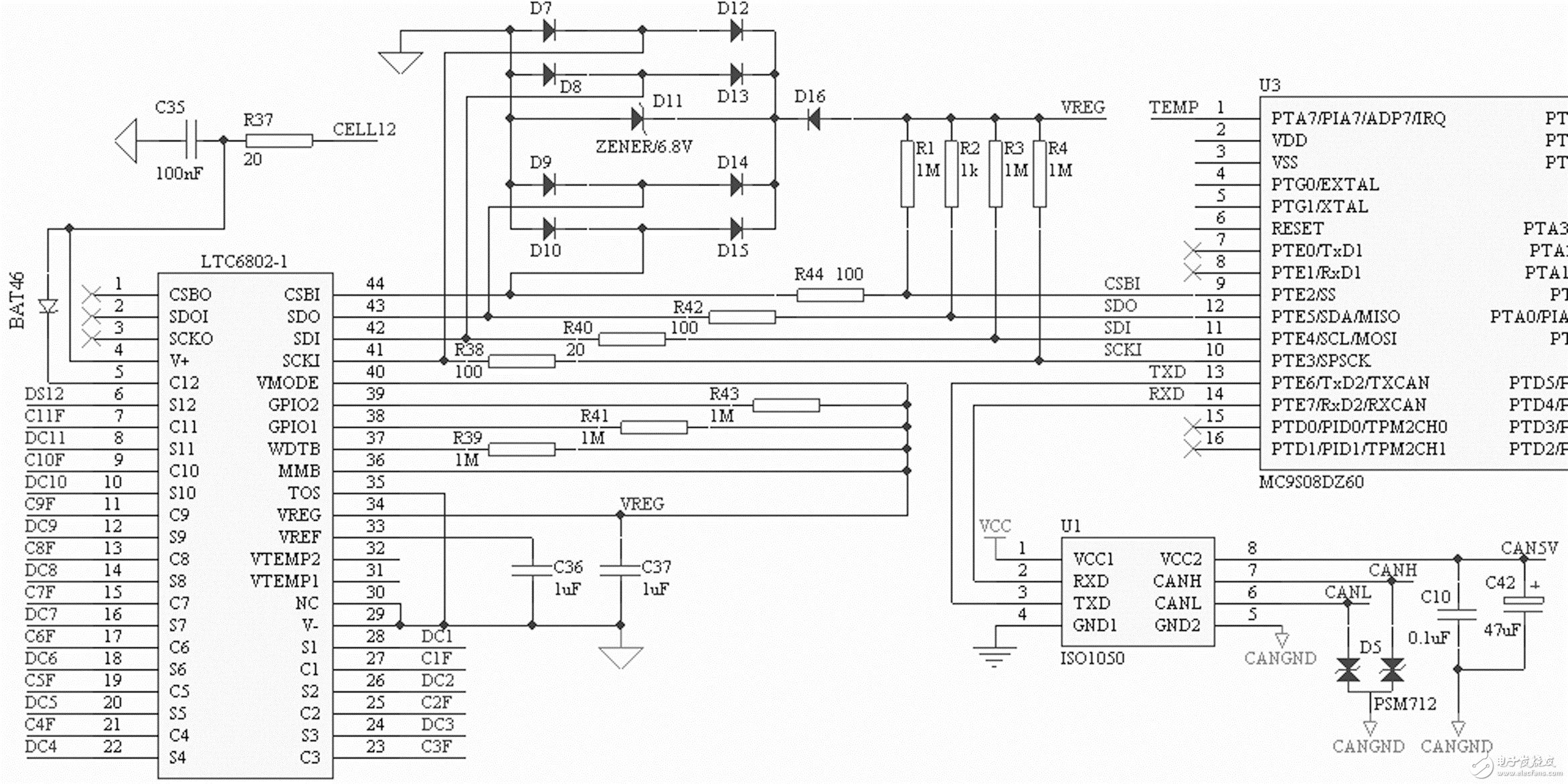
  LTC6802 的外围电路及其与微控制器之间的连接电路如图2 所示。本电路中MCU 选取的是Freescale 系列单片机MC9S08DZ60,其主要功能是进行电流和温度采集、接收来自LTC6802 的信息并将电池包组态信息发送到分布式CAN 通信网络中。

  LTC6802 与MCU 的连接电路

  图2 LTC6802 与MCU 的连接电路

  LTC6802 可通过其自身与SPI 兼容的串行接口实现与MCU 的通信。对于LTC6802 而言,CSBI 为片选信号;SDO 为串行数据输出;SDI 为串行数据输入;SCKI 为串行时钟输入。

  此外,为了保证通信过程稳定可靠,本设计中还引入了静电干扰抑制电路,见图2 中的D7-D15.该电路由8 个二极管和一个齐纳二极管组成,实际也可以采用专用的ESD 静电保护器件PRTR5V0U4D 来实现。

  MCU 的另一项任务是将电池包组态信息发送到CAN 通信网络中。在此本设计选取了CAN 隔离驱动芯片ISO1050,见图2 中的U1.为了进一步提高CAN 通信的抗干扰性能,在平台的CAN 输出端还采用了瞬态电压抑制芯片PSM712。

  温度采集电路设计

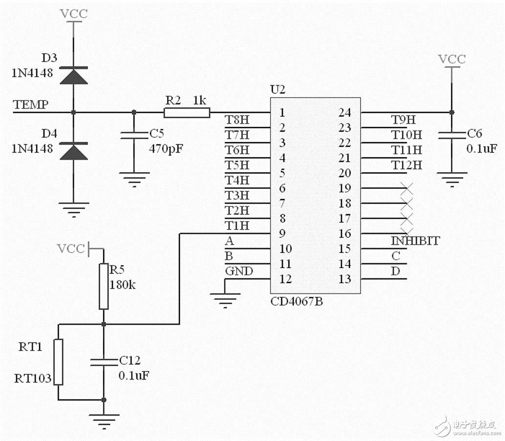
  电池包节点温度也是组态信息中的重要参数。在本平台中,节点温度的检测由MCU 实现,设计每个单体取一个节点,共计可实现对12 个节点的温度检测。温度采集电路如图4 所示,图中给出了节点1 的连接电路。首先,设计中选取热敏电阻RT103 作为温度传感原件,将温度信号转换为电压信号;接着,电压信号输入模拟开关器件CD4067D,可通过MCU 配置其ABCD 四个控制端对输入信号进行选通,并由其公共端即管脚1 输出;最后,模拟开关输出的信号经RC 滤波及限幅处理后输入到MCU 的AD 输入端,节点温度采集得以实现。

  电压采集及均衡电路

  图3 电压采集及均衡电路

   温度采集电路

  图4 温度采集电路

  基于电池监控芯片LTC6802 以及微控制器MC9S08DZ60,设计了一套面向LTC6802与MCU的连接器电路监控平台。结合芯片特点及平台应用场合,分别对电压检测电路、均衡控制电路、温度采集电路、SPI 通信及CAN 通信电路进行了具体的设计。该平台充分利用了LTC6802 集成度高、电压采集精度高以及抗干扰能力强的特点,很大程度上改善了传统的电池监控电路存在的电压采集精度差和电路结构复杂的问题。可以断言, 在EV/HEV 产业中,这种基于LTC6802 的电池组监控平台具有很强的应用价值和良好的应用前景时,Q1 将导通对其放电,放出的电能会消耗在电阻R1 上。

。 (本文来源网友上传,如有侵权,可联系管理员删除)

版权声明:网站转载的所有的文章、图片、音频视频文件等资料的版权归版权所有人所有。如果本网所选内容的文章作者及编辑认为其作品不宜公开自由传播,或不应无偿使用,请及时联络我们,采取适当措施,避免给双方造成不必要的经济损失。