由于电台多采用全透明的传输方式,只要频段相同,就可以接收到同频段上发送的语音信号,这样就无法准确辨别信号是否有用。带有语音加密功能的电台则可以避免这种情况,但在一些要求保密性高的领域或场所。因此,这里介绍一种基于C8051F单片机,以DTMF编码的方式识别电台身份的系统。该系统使用简单,在不改变电台原有特性的基础上,只需和电台的扩展口连接,便可实现对电台身份的识别。即使对方破解了语音信号,还可通过地址编码来分辨电台的身份。该系统在保密性要求高的场所有一定应用前景。
DTMF编/解码
DTMF编/解码器选用MT8880。MT8880C是一个带有呼叫处理滤波器的单片 DTMF信号收发器。该器件采用低功耗、高稳定性的 ISO-CMOS技术,内置1个带有可变增益的内部放大器的高性能接收器,1个带有脉冲计数器的发射器,以及1个可访问MT8880内部寄存器的标准微处理器接口。其内部寄存器包括1个状态寄存器、2个数据寄存器和2个控制寄存器,其电路如图4所示。

该系统采用单端输入方式,IN-为运放输入端,R1与R2调节输入信号增益。TDNE为音频输出,用于发送DTMF信号。OSCl为时钟/振荡器输入端,OSC2为时钟输出端,MT8880采用3.579 5 MHz的工作时钟。IRQ/CA为中断请求信号,漏极开路输出,当有DTMF信号输入时,IRQ/CA向C8051F020发出中断申请。D0~D3为微机数据总线,与TTL兼容,输出测得的DTMF信号和输入要发出的DTMF信号,与C8051F020 的I/O接口相连。12引脚CP2端为系统时钟输入,与读写控制端R/W配合完成MT8880的读写操作,RS0引脚为寄存器选择,TTL电平兼容。地址码可由0~9以及A~D组成。由于该系统应用领域的特殊性,地址码都经加密算法。当终端作为发射机时,DTMF编/解码部分把终端的地址码经一定算法加密后,调制成DTMF信号,再送入电台,便于网内其他电台识别。当终端作为接收机时,DTMF编/解码部分把所接收的DTMF信号解调成数字码,再经解密算法得到地址码。考虑到该系统阻抗与电台音频I/O接口阻抗可能不匹配,应在两者间加入一个音频变压器。

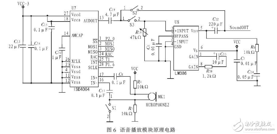
语音存储播放模块选用ISD公司的ISD4004。该语音器件采用多电平直接模拟存储(Chip Corder)专利技术,声音无需经A/D转换和压缩,每个采样值直接存储在片内的闪烁存储器中,从而避免一般固体录音电路量化和压缩造成的量化噪声和金属声。图6为语音播放原理电路。语音输人通过话筒(MIC)直接与ISD4004的引脚IN+、IN-连接差分驱动输入。语音输出端则是通过LM386放大后连接到电台的语音输出端。系统采用键控分段录放音模式。通过录音键可录制10段不同的语音,每段录音对应键盘上一个按键,根据所接收到的语音信号,通过10个按键可播放不同的语音,使用方便、灵活。
。 (本文来源网友上传,如有侵权,可联系管理员删除)
版权声明:网站转载的所有的文章、图片、音频视频文件等资料的版权归版权所有人所有。如果本网所选内容的文章作者及编辑认为其作品不宜公开自由传播,或不应无偿使用,请及时联络我们,采取适当措施,避免给双方造成不必要的经济损失。