• 周二. 10 月 14th, 2025

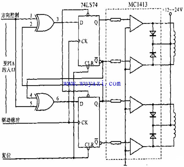
基于电动机双向旋转接口电路图

6 月 8, 2019

下图所介绍的是基于电动机双向旋转接口电路图。
  
查看联系方式

版权声明:网站转载的所有的文章、图片、音频视频文件等资料的版权归版权所有人所有。如果本网所选内容的文章作者及编辑认为其作品不宜公开自由传播,或不应无偿使用,请及时联络我们,采取适当措施,避免给双方造成不必要的经济损失。