• 周二. 10 月 14th, 2025

模块化UPS分散旁路和集中旁路方案

6 月 13, 2019

近来跟一些业内客户交流,笔者听到了一个“新奇”的说法:某厂家的模块化UPS有一个奇妙的功能,就是单个功率模块可以单独作为完整UPS使用,并列为一大卖点。看来市场营销也要与时俱进,这不就是以前的“分散旁路”的模块化UPS吗?十多年来都没有改变过的技术,现在被包装成新卖点了,这真是“知识就是力量”啊。

熟悉模块化UPS发展的业内同仁应该都了解,模块化UPS的系统架构从开始就有两条不同的技术路线:分散旁路和集中旁路。这里笔者想从技术的来源和性能可靠性来对比谈谈这两种方案的选择,希望能给读者一些启发和帮助。

一、两种旁路方案的架构定义和来源

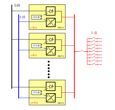
模块化UPS,顾名思义,是将大功率的UPS系统,分开成多个子模块并联,通过优化的系统控制,实现系统的在线扩容升级、维护,并大幅提高系统的可靠性、可用性和节能效果,降低客户的维护成本,近年来已经渐渐成为主流客户的首选。下面以市场上典型的基于10个30kVA功率模块的300kVA系统来做分析。

(1)分散旁路架构

分散旁路架构,即每个功率模块含有整流、逆变和电池变换等部分以外,还含有与功率模块容量相等的静态旁路,可以认为是一台没有液晶监控的UPS。多个模块在机柜中并联组成系统,模块间相互关系类似于传统多并机UPS系统。系统切换到旁路供电时,负载由所有功率模块内的分散旁路来并联供电。系统架构图如图1所示。

(3)两种技术方案的发展来源

模块化UPS的概念,最先起源于客户对系统维修的简易化的需求,希望能在故障情况下不影响关键业务,进行简单的更换操作即可恢复系统。厂家天然地就想到把UPS并机系统设计成模块化结构,这也就是分散旁路方案的来源。

分散旁路方案的优点是:控制简单,开发难度小,仅须将原有的UPS并机系统移植并优化监控部分即可;机柜成本低;旁路器件因为容量较小,成本也相对较低;静态旁路有多路冗余。

集中旁路方案是继分散旁路之后发展起来的技术路线,相比传统并机UPS系统,从并联均流控制、系统逻辑协调、容错能力方面都做了非常大的改动,可以说是一个全新的技术领域,开发难度大。

下面的章节将介绍两种技术路线带来的性能和可靠性方面的差异。

二、两种方案的性能差异

版权声明:网站转载的所有的文章、图片、音频视频文件等资料的版权归版权所有人所有。如果本网所选内容的文章作者及编辑认为其作品不宜公开自由传播,或不应无偿使用,请及时联络我们,采取适当措施,避免给双方造成不必要的经济损失。