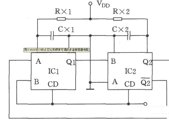
本文介绍了是由用双单稳态触发器CC4528设计的占空比和频率可调的多谐振荡器电路。如下图所示:
一款CC4528的双单稳态触发器设计多谐振荡器电路图
版权声明:网站转载的所有的文章、图片、音频视频文件等资料的版权归版权所有人所有。如果本网所选内容的文章作者及编辑认为其作品不宜公开自由传播,或不应无偿使用,请及时联络我们,采取适当措施,避免给双方造成不必要的经济损失。
本文介绍了是由用双单稳态触发器CC4528设计的占空比和频率可调的多谐振荡器电路。如下图所示:
版权声明:网站转载的所有的文章、图片、音频视频文件等资料的版权归版权所有人所有。如果本网所选内容的文章作者及编辑认为其作品不宜公开自由传播,或不应无偿使用,请及时联络我们,采取适当措施,避免给双方造成不必要的经济损失。