• 周四. 10 月 16th, 2025

霍尔电流传感器电路_压力传感器电路

5 月 13, 2019

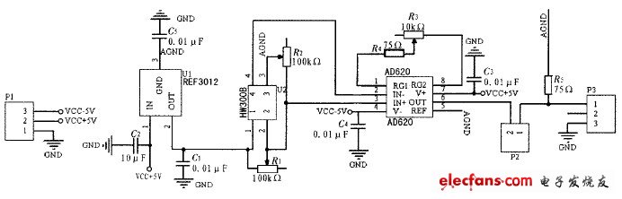
霍尔元件的输出接至仪器放大器AD620.作为放大器的差模出入端和共模输入端。放大器的增益可通过调节1、8引脚之间的1O kn 的电位器改变。放大器的输出接反馈线圈,该反馈线圈绕在集磁环上,其绕线方向能使通过它的电流产生的磁场与集磁环收集到的磁场方向相反。反馈线圈末端放1个75 kQ的精阻接地,可以通过测量精阻两端的电压,计算反馈线圈中的电流,进而推算穿过集磁环中心的被测电流的大小。霍尔电流传感器电路(点击放大): 电路图讲解 

 。 (本文来源网友上传,如有侵权,可联系管理员删除)

版权声明:网站转载的所有的文章、图片、音频视频文件等资料的版权归版权所有人所有。如果本网所选内容的文章作者及编辑认为其作品不宜公开自由传播,或不应无偿使用,请及时联络我们,采取适当措施,避免给双方造成不必要的经济损失。