气敏器件(又称气敏传感器)是一种对环境气氛中某些氧化性气体、还原性气体、有机溶剂蒸汽十分敏感的电子器件,被广泛应用于对可燃性气体和有毒性气体的检测、检漏、报警和监控等领域。
一只完整的气敏器件是由防爆网、管座、电极、玻璃基体、加热器和氧化物半导体等几部分组成的,其结构如图1所示。

气敏器件的核心部分是金属氧化物半导体,如二氧化锡等。这类金属氧化物半导体,在一定温度时,能吸附空气中的氧,形成氧的负离子吸附,使半导体材料中电子密度减小,电阻增大。当遇到可燃性气体或毒气时,原来吸附的氧就会脱附,而由可燃性气体或毒气以正离子状态吸附在半导体材料的表面。由于在脱附和吸附过程中均放出电子,使电子密度增大,从而使电阻减小。器件中加热器的作用是为了提高器件的灵敏度。
气敏器件的特性曲线如图2所示。
气敏传感器电路图(一)
Figaro公司制造的、以气敏传感器TGS800为基础的模块AMS800,可以与微处理F6604连接,F6604也是一种四位CMOS微处理器。模块AMS800和F6604互连的电路图示于图。

微处理器F6604有能力将空气污染的程度区分为四个等级,并按污染程度相应控制空气清洁器械的工作。根据房间的大小、灵敏度以及换气的方式(通风或是空气过滤),设计了调整的能力。
气敏传感器电路图(二)
CAPTEUR传感器和分析器公司生产的气敏传感器的加热元件是典型的高温度系数电阻,所以公司建议使用热驱动器,它的主要目的是保持传感器加热器在恒定电阻条件下工作,实现的途径是,把加热器电阻接在惠斯登电桥上,然后它的阻值与基准电阻器作比较示于图。

气敏传感器电路图(三)
有害气体(一氧化碳、氨、硫化氢等),即使在周围空气中它们的含量非常低,也对人体有害。如果它们在工作场所出现,将是非常危险的。这就需要应用有效的器件监测这类气体的存在,防止它们在空气中的含量超过一定的浓度。Figaro公司生产的传感器TGS203用于测量混合气体中的CO含量。它对混合气体中的氢气和酒精蒸汽的灵敏度最低。随着周围空气中CO含量的增加,敏感元件的电阻下降。相对于敏感元件最大灵敏度的最佳工作温度在100℃左右。

这类传感器的主要缺点是,湿度对测量结果有影响,而且在常温时,它的响应时间相对而言长了些。这些不足可以应用加热敏感元件的方法达到部分的补偿,加热采用间歇的规范进行。加热时,将敏感元件表面上的水蒸汽和其他次要气体清除掉,而测量在较低温度时进行。设计了一个活性碳的过滤器,为传感器提供必要的保护,使它免受氧化氮的影响。
传感器的间歇加热规范,以及要求的工作温度的形成均由专用集成电路(FIC5401)提供,它是一个4位的微处理器,含有定时器和对信号进行预处理的模拟电路示于图,从直流电源取得传感器加热电流。每了保证传感器工作在设定的模式中,电路中只使用了二个外接元件:一是热敏电阻,在电路中,其功能相当于温度补偿用的热转换器;另一是可变电阻(RLV),它被用来调整电路工作所要求的电平。
气敏传感器电路图(四)
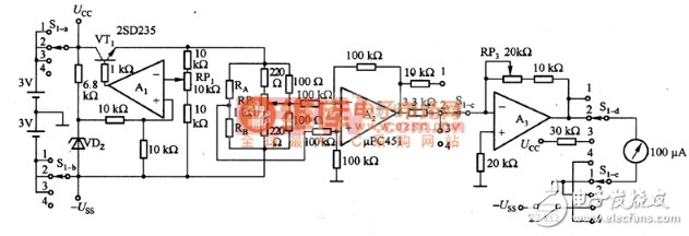
图1是采用热电阻的热传导式气敏传感器的应用电路。热传导式气敏传感器有的采用由热敏电阻和热电阻构成的方式。这里介绍的是采用由铂热电阻丝构成的方式,它用于测量氢气的浓度,分为0附一20%和0%一100%两个量程。该种传感器的原理是,高温(200一800℃)时,将气体弓入热敏传感器,传感器的温度随气体热传导率之差的变化,作为铂热电阻丝等阻值变化被检测出来。电路中,RA和RB为铂热电阻丝,分别作为检测元件和温度补偿元件。检测元件按照温度变化进行工作,因此,桥路的电压要求具有很高的稳定性。氢气与空气相比,其热传导率较大,容易测量,因此,桥路的电压稳定性为0.1%左右即可。电压基准元件使用ICL-8069;A1一A3使用μPC451;电流放大器VTl采用2SD235,供给桥路80mA的电流;RP1用于调整电压。若用螺钉将晶体管VTl固定在机壳上,可不用散热器。

图1 采用热电阻的热传导式气敏传感器的应用电路图
RP2用于调节桥路的平衡,空气中不含有氢气时,调节RP2,便桥路输出为零。由于桥路输出含有共模信号,因此,也使用差伞输入方式。S1力量程切换联动开关,接1时,为100%;接2时,为20%;接3时,接电池;接4吐断开;A3用干测量范围调整;RP3用于范围校正。
气敏传感器电路图(五)
图(a)示出了气敏传感器TGS203与集成电路FIC5401连接的主电路。其负载电阻由可变电阻(RLV)和电路内设的定值电阻(1kΩ)构成,因此RL=RLV+1kΩ。它是传感器的工作负载电阻,RL较大,那么传感器的灵敏度也较高。当允许的CO气体浓度为100&TImes;10-6时,RLV选用等于20kΩ的,如果允许的浓度低于100&TImes;10-6时,RLV选用50kΩ的。更精确的允许CO气体浓度的设定都是通过改变RLV进行的。

在图(b)和图(c)上可以清楚看到,集成在集成电路上的变换直流电源的工作原理。传感器的二个加热规程是通过开关在加热过程中顺序进行的。在测量周期时,SW1和SW2都处于“开”的状态,电流从电源VCC1经过传感器和负载电阻(即RLV+1kΩ)流动。电流量的大小与环境空气中的CO气体浓度成比例。此时,传感器的输出信号是负载电阻两端的电压,并从集成电路的13脚输出。如果这个电压超出了内部的基准电压VREF,那么在报警器A的输出上产生一个高电平,标示已经溢出了设定的允许CO气体浓度值。将28脚接到GND3(地),这样,子报警系统(报警器B)的电平为主报警器电平的三分之一。利用38脚输出作为子报警系统,可以作出早期的预兆警报,即在低于主报警器的报警浓度时提出警告。这可以用来保护测量过程,如果需要,可以排除达到允许CO气体浓度的地步。

所讨论的电路和传感器TGS203可以用于工作场所的空气条件监测,也可以用于那些需要燃料完全燃烧,和其他对人体有害的CO气体可能达到危险浓度的领域。
气敏传感器电路图(六)
陶瓷气敏传感器也可以用于分析酒精蒸汽的含量。传感器与相应的电路配合能够检测血液中的酒精含量。其工作原理非常简单,如果血液中含有一定比例的酒精成分,那么它必定会发散到空气中来,血液中酒精浓度越高发散在空气中的比例也越大。如果用含有一定浓度酒精的空气喷吹传感器,传感器的电阻将发生与酒精浓度相应的变化,这个变化可以用合适的测量电路鉴别。这样的电路示于图8-24。使用的气敏传感器TGS822是Figaro公司制造的。电路由稳压直流电源+5V供电。传感器负载电阻上的输出电压反相加载到三个运算放大器的输入端,三者互联成比较器。实际上,电阻R1和R2是基准电压的发生器。基准电压的上限由可变电阻RP1设定,而下限则由RP2设定。

接通电源,并按下复位电钮后,触发器进入逻辑O的状态。这时,发光二极管LED1~LED3不发光。当酒精蒸汽作用在传感器上时,负载电阻上的压降开始变化(逐渐升高)。这些分立的比较器顺序工作的结果导致相应的触发器开启,因而与它们相接的LED点亮。如果酒精蒸汽停止对传感器作用,那么负载电阻上的电压将缓慢下降。按动复位钮后,恢复到起始状态。为了补偿温度和湿度对传感器特性的影响,同时为了获得更高的精度,建议使用热敏电阻和(或)湿敏传感器对电路进行补偿。
。 (本文来源网友上传,如有侵权,可联系管理员删除)
版权声明:网站转载的所有的文章、图片、音频视频文件等资料的版权归版权所有人所有。如果本网所选内容的文章作者及编辑认为其作品不宜公开自由传播,或不应无偿使用,请及时联络我们,采取适当措施,避免给双方造成不必要的经济损失。