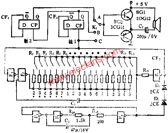
图中所示是用TTL与非门和触发器组成的玩具电子琴线路。图示线路可同时发出主音和颤音,它还可模拟小号、黑管等东器的声音,且制作较简单。图示线路由主振荡器、颤音振荡器、分频器及音频放大等几个部分组成。
。 (本文来源网友上传,如有侵权,可联系管理员删除)
版权声明:网站转载的所有的文章、图片、音频视频文件等资料的版权归版权所有人所有。如果本网所选内容的文章作者及编辑认为其作品不宜公开自由传播,或不应无偿使用,请及时联络我们,采取适当措施,避免给双方造成不必要的经济损失。
图中所示是用TTL与非门和触发器组成的玩具电子琴线路。图示线路可同时发出主音和颤音,它还可模拟小号、黑管等东器的声音,且制作较简单。图示线路由主振荡器、颤音振荡器、分频器及音频放大等几个部分组成。
。 (本文来源网友上传,如有侵权,可联系管理员删除)
版权声明:网站转载的所有的文章、图片、音频视频文件等资料的版权归版权所有人所有。如果本网所选内容的文章作者及编辑认为其作品不宜公开自由传播,或不应无偿使用,请及时联络我们,采取适当措施,避免给双方造成不必要的经济损失。