• 周五. 10 月 17th, 2025

不知道调整管是啥,还好意思当电子工程师?-电子技术方案|电路图讲解

6 月 29, 2019

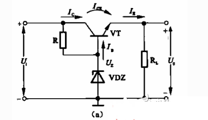
什么是调整管? 调整管是稳压电源中的输出功率管。它在稳压电源电路中相当于可调电阻,随输入电压的波动,由取样管取样后随时调整该管的导通程度,以达到输出电压稳定的目的。整流管的导通程度不同。   调整管CE间的电压也不同。输入电压高时调整管CE间的电压高。输入电压低时调整管CE间的电压就低。比稳压输出高的电压全部加在调整管上了。调整管的功率损耗大,所以调整管都有散热器。下图为一只三脚调整管。

   电路图  

调整管应用电路原理分析 1、本调整管稳压电路 

   电路图   

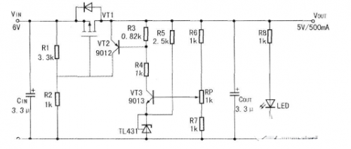
 所谓串联型稳压电路,就是在输入直流电压和负载之间串入一个三极管,其作用就是当q或RL发生变化引起输出电压Uo变化时,通过某种反馈形式使三极管的UcP也随之变化,从而调整输出电压玩,以保持输出电压基本稳定。由于串入的三极管是起调整作用的,故称为调整管。   图(a)所示是基本的调整管稳压电路.图中三极管Ⅵ’为调整管。为了分析其稳压原理,我们将图(a)所示的电路改画成图(b)所示的形式,这时我们可清楚地看到,它实质上是在图所示电路的基础上再加上射极跟随器而组成的。根据电路的特点可知,乩和Uz是跟随关系,因此只要稳压管的电压Uz保持稳定,则当矾和IL在一定的范围内变化时,乩也能基本稳定。加了跟髓器后的突出特点是带负载的能力加强了。   2、采用功率MOSFET调整管组成超低压差线性稳压电路 一般认为线性稳压器的转换效率低但输出纹波电压低,而开关式DC/DC变换器的转换效率高,但它的输出纹波电压很高(比线性稳压器高1~2个数量级)。如果采用功率MOSFET作调整管,可以组成超低压差线性稳压器,它不仅输出纹波电压小,而且其转换效率可以与DC/DC变换器媲美。   便携式电子产品希望电池寿命长(或两次充电之间的时间间隔长),本文介绍的超低压线性稳压器可满足这种要求,并且有较好的输出精度。   线性稳压器电路笔者采用Si9933功率MOSFET作调整管设计了~个由电池供电(输入电压6V),输出5V电压,输出电流500mA的线性稳压器电路,如下图所示。它与一般的线性稳压器电路基本相同,为了提高基准电压的精度,这里采用TL431精密可调基准电压源来代替一般的稳压二极管。这是因为一般的稳压二极管在3V以下的精度差,其动态电阻Rz=30Ω左右。另外,这里设了一个微调电位器RP,可使在空载时调整RP获得所需的初始电压(因为TL431的基准电压典型值是2.495V.最小值是2.470V,最大值是2.520V)。   电路图  

 其工作原理如下:如果输出电压VOUT有所增加,即输出电压↑,VT3基极电压↑,VT3的IC3↑,R3上的电压降↑,VT2的VBEt,VT2的ic2↑,R2上的压降↑,使R1上的压降↓,即P管的-VGS↓,P管的内阻↑.使VOUT输出电压↓。   3、用IGBT做调整管的2.5—24V稳压电源 电源基本用的是这个图,MOS管直接替换成IGBT,限流取样电阻略有变化0.3Ω左右。在2A左右保护(实测)。   电路图   

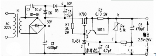
 工作原理 如图所示,220v电压经变压器B降压、D1-D4整流、C1滤波。此外D5、D6、C2、C3组成倍压电路(使得Vdc=60V),Rw、R3组成分压电路,T1431、R1组成取样放大电路,9013、R2组成限流保护电路,场效应管K790作调整管(可直接并联使用)以及C5是输出滤波器电路等。稳压过程是:当输出电压降低时,f点电位降低,经T1431内部放大使e点电压增高,经K790调整后,b点电位升高;反之,当输出电压增高时,f点电位升高,e点电位降低,经K790调整后,b点电位降低。从而使输出电压稳定。当输出电流大于6A时,三极管9013处于截止,使输出电流被限制在6A以内,从而达到限流的目的。本电路除电阻R1选用2W、R2选用5W外,其它元件无特殊要求,其元件参数如图3所示。   另外k790完全可以用K72515A500V125W的管子代替。因为是电压型器件,不用考虑驱动问题。      

                                      

。 (本文来源网络整理,目的是传播有用的信息和知识,如有侵权,可联系管理员删除)

版权声明:网站转载的所有的文章、图片、音频视频文件等资料的版权归版权所有人所有。如果本网所选内容的文章作者及编辑认为其作品不宜公开自由传播,或不应无偿使用,请及时联络我们,采取适当措施,避免给双方造成不必要的经济损失。