• 周日. 10 月 19th, 2025

单声道调频发射器电路 – 调功电路图讲解

6 月 13, 2019

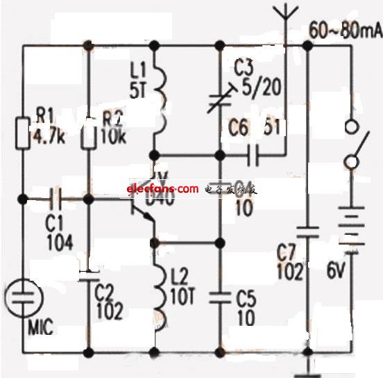
该电路中发射三极管采用D40、D50、2N3866等,工作电流为60~80mA。C3选用5~20pF的瓷介或涤纶可调电容。电容C5可省略,L2可换成10~100mH的普通电感线圈。该电路采用电容三点式振荡器,天线参数稍微变动时,都将发生跑频现象。由于是单管自激振荡发射,工作电流较大,当工作数秒钟至数分钟后,三极管的温度升高引起极间电容发生变化,也会带来振荡频率的改变(一般情况下是振荡频率降低)。单声道调频发射器电路图如下所示:

电路图

 

。 (本文来源网友上传,如有侵权,可联系管理员删除)

版权声明:网站转载的所有的文章、图片、音频视频文件等资料的版权归版权所有人所有。如果本网所选内容的文章作者及编辑认为其作品不宜公开自由传播,或不应无偿使用,请及时联络我们,采取适当措施,避免给双方造成不必要的经济损失。