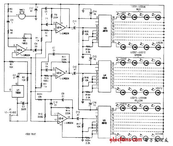
万花筒制作电路中麦克风输入MIC1通过C3和R4被传送到反相放大器;U2-a的增益是由R5来控制。U2-a的输出是通过C4被传送到余下的运放器(U2-b, U2-c, U2-d),在那里,都被配置为带通滤波器。使用电阻/电容的组合,每个滤波器都是可调谐的,从而通过一个不同的频率范围。

。 (本文来源网友上传,如有侵权,可联系管理员删除)
版权声明:网站转载的所有的文章、图片、音频视频文件等资料的版权归版权所有人所有。如果本网所选内容的文章作者及编辑认为其作品不宜公开自由传播,或不应无偿使用,请及时联络我们,采取适当措施,避免给双方造成不必要的经济损失。