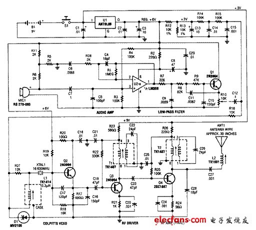
49兆赫调频发射机是由音频放大器,低通滤波器,三个射频阶段和一个规范的直流电源组成。输出大约是16mW到50Ω负载。该变送器可用于许多49MHz的应用,如在婴儿监视器,无绳电话或在扫描仪连接作为一个单项语音连接。49MHz调频发射器电路:

。 (本文来源网友上传,如有侵权,可联系管理员删除)
版权声明:网站转载的所有的文章、图片、音频视频文件等资料的版权归版权所有人所有。如果本网所选内容的文章作者及编辑认为其作品不宜公开自由传播,或不应无偿使用,请及时联络我们,采取适当措施,避免给双方造成不必要的经济损失。