• 周一. 10 月 20th, 2025

基于MCS-51单片机的定时报警器 – 嵌入式类电子电路图讲解

6 月 13, 2019

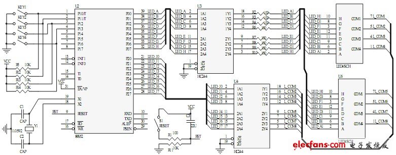
  选用MCS-51系列AT89S51单片机作为微控制器,选择两个四联的共阴极数码管组成8位显示模块,由于 AT89S51单片机驱动能力有限,采用两片74HC244 实现总线的驱动,一个74HC244完成位控线的控制和驱动,另一个 74HC244 完成数码管的 7段码输出,在输出口上各串联一个 100欧姆的电阻对7 段数码管限流。

  由于键盘数量不多,选择独立式按键与 P1口连接作为四个按键输入。没有键按下时 P1.0-P1.3为高电平,当有键按下时,P1.0-P1.3相应管脚为低电平。电路原理图如下图所示。

电路图 

 。 (本文来源网友上传,如有侵权,可联系管理员删除)

版权声明:网站转载的所有的文章、图片、音频视频文件等资料的版权归版权所有人所有。如果本网所选内容的文章作者及编辑认为其作品不宜公开自由传播,或不应无偿使用,请及时联络我们,采取适当措施,避免给双方造成不必要的经济损失。