该集成电路信号寻迹器电路简单,仅需一片小功率集成功放电路LM386和5个电容就能组成整机,而且寻迹能力极强。从调谐回路至功放电路,都能方便地检出故障所在,由于声音宏亮,在检查中放及低放电路时,还可以用喇叭放音,无需老挂着耳机,使用很方便。

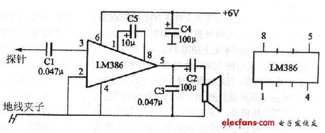
电路原理如上图所示。Cl为隔直电容;C2是输出电容;C3的作用是防止自激;C4是电源滤波电容。
信号经Cl从集成电路LM386的③脚输入,由于LM386的输入端是微电流偏置,而且有很宽的频响,所以不需外接二极管就能完成检波。信号经放大后由LM386⑤脚输出。LM386的①脚和⑧脚是增益控制,直接用10μF的电容把两脚连接起来,就可获得最高的增益。

该机印制电路板如下图所示。将全部元器件安装在一块2cm&TImes;3.5cm的印制电路板上,只要选用的元器件正确,接线无误,一般无需调试即可正常工作。耳机插座需进行改制,让它兼做电源开关。由于本信号寻迹器耗电甚少,静态电流只有4mA左右,可用4节5号电池供电,若用6V叠层电池,还可进一步缩小体积。
。 (本文来源网友上传,如有侵权,可联系管理员删除)
版权声明:网站转载的所有的文章、图片、音频视频文件等资料的版权归版权所有人所有。如果本网所选内容的文章作者及编辑认为其作品不宜公开自由传播,或不应无偿使用,请及时联络我们,采取适当措施,避免给双方造成不必要的经济损失。