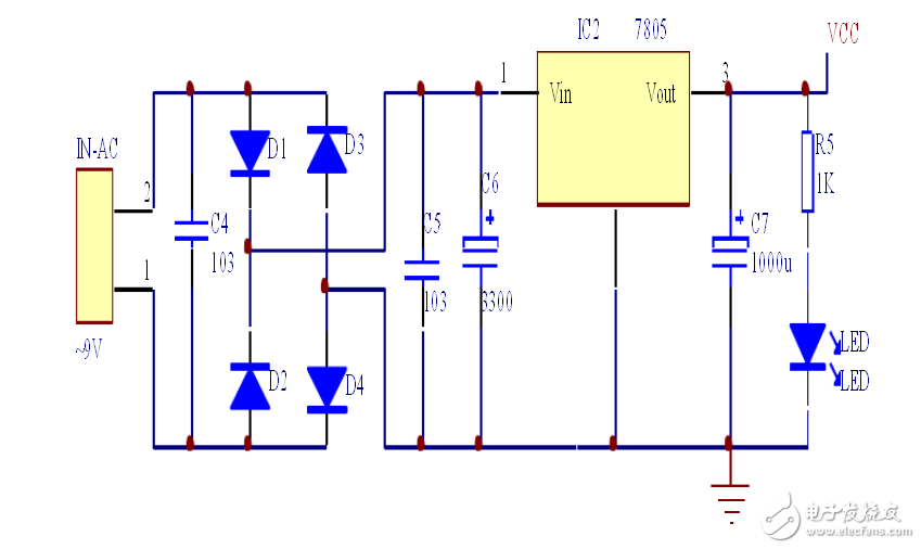
电源电路:由于本系统电源电路要为单片机、语音模块ISD1820两个相对来说要对电源要求较高的模块供电,所以采用了变压器降压经整流滤波后由集成稳压器7805稳压后给整个系统提供+5V电圧的方式。电路图如图所示,其中IN-AC为9V交流变压器输入端,D1、D2、D3、D4构成桥式整流电路,经C6(3300uF)大滤波电容滤波后送入集成稳压器7805输入端,由输出端输出后再由C7(1000uF)滤波后整个系统供电。在此电源电路中,C4、C5为交流高频耦合电容,防止交流高频信号经电源电路串入系统,对系统构成干扰。R5和LED组成电源指示电路,显示电路是否工作。

双音频解码电路:就是将线路上远方发送过来的各种控制信号转换为4位二进制的数字信号。由于手机按压按键时,每拨一个号码,发出去的都是由两个不同频率的音频信号组合起来的双音频成分,因此叫“双音频”。比如拨0时,发出去的两个音频信号分别是941Hz和1336Hz,这就是说,远程控制指令在电话线路上传输的都是双音频信号。由于单片机不能识别双音频信号,因此试验板在接到双音频信号后,必须首先将双音频转换为数字信号,才能被单片机识别和处理。

MT8870就是将双音频信号转换为数字信号的专用解码芯片,该芯片的典型应用如图11所示,它有18个引脚,外围电路非常简单。电路有条不紊地工作等。如图11所示,第18、19脚接12MHz石英晶体,在晶体两端各接一个30pF的电容到地。第9脚为复位端,在该脚接一个10k的电阻R8到地,以确保该脚在正常工作时为低电平0。同时,为了在加电时给该脚一个高电平复位脉冲,因此用一个10μF的电解电容C4连接到电源VCC,在电容C4两端还接有一个手动复位按钮SB1,R11的作用是避免按压按钮时大电流冲击按钮触点,避免接点氧化。其他引脚只需按图示连接即可。
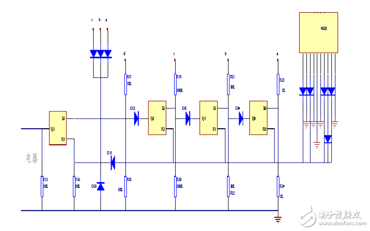
密码锁译码电路:密码锁电路主要由译码器U7、触发器U6及相关元件组成。U7的输入端为A,B,C,D,输出端为Q0 ~Q9。能将解码器送来的二进制码译成十进制码输出;U6内含4个RS触发器。每触发器有两个输入端R和S一个输出端Q。当R端输入一个高电平脉冲时,其输出端Q变为低电平“0”态,保持“0”态不变;当其s端输入一个高电平脉冲时,其输出端Q为高电平“1”态,并能保持“1”状态不变。 按图12中连接线路,开机密码为1359。线路接通后,如密码输入顺序正确即可开锁。当对方按“1”键时,经解码、译码后,U7的输出端Q1输出高电平,即A点高电平,该电平通过R23加到U6A的S0端,使其输出端Q0成高电平,D14截止;对方按“3”键时,经解码、译码后,U7的输出端Q3输出高电平,即b点高电平,该电压通过R12加到U6B的S1端,使其输出端Q成高电平,D13截止;依次类推,当对方按“5”键时,U6C的输出端Q2输出高电平,当对方按“9”键时,U6D的输出端Q3输出高电平,该高电平作为U4的电源,使U4开始工作。

。 (本文来源网友上传,如有侵权,可联系管理员删除)
版权声明:网站转载的所有的文章、图片、音频视频文件等资料的版权归版权所有人所有。如果本网所选内容的文章作者及编辑认为其作品不宜公开自由传播,或不应无偿使用,请及时联络我们,采取适当措施,避免给双方造成不必要的经济损失。