随着移动技术的发展,许多传统的电子产品也开始增加移动方面的功能,比如过去只能用来看时间的手表,现今也可以通过智能手机或家庭网络与互联网相连,显示来电信息、Twitter和新闻feeds、天气信息等内容。这种新手表可被称作智能手表,某些已经上市销售,某些还处于样品测试阶段。这类产品主要是为消费者在不方便使用智能手机的情况下使用而设计的,比如正在骑自行车或手上提满了东西的时候。

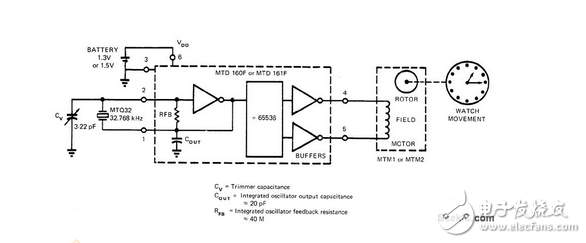
电路原理:在摩托罗拉平均温差为160或161华氏度的定制CMOS电路的输入端使用一个32.768 kHz的晶体管,该晶体管和步进电机一起可驱动传统的钟表指针。该电路包括了三个反相振荡器,16个计数触发器和一些电动机缓冲器。
。 (本文来源网友上传,如有侵权,可联系管理员删除)
版权声明:网站转载的所有的文章、图片、音频视频文件等资料的版权归版权所有人所有。如果本网所选内容的文章作者及编辑认为其作品不宜公开自由传播,或不应无偿使用,请及时联络我们,采取适当措施,避免给双方造成不必要的经济损失。