磁耦合环在锥扫电机的带动下与基准电压发电机同步旋转,耦合圆波导内的磁场,形成高频调制差信号。在雷达自动跟踪目标时,若天线电轴偏离目标方向,就会产生误差信号。该误差信号为交流信号,其频率与馈线系统的低频调制频率相同。基准电压发电机输出的锥扫基准信号同时用作相敏检波器的电压基准,对误差信号进行检波。检出的角误差电压驱动电机带动天线跟踪目标运动。

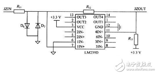
LM239应用电路——雷达锥扫基准信号采集电路
雷达在实际工作过程中,可能在任意时刻接收到目标回波。因此,若要模拟雷达复合差信号△,必须要确定每一个回波相对于锥扫基准信号的相位。通过设计锥扫基准信号采集电路取出耦合环的相位零时刻,依此来确定每一个回波相对于锥扫基准信号的相位。锥扫基准信号采集电路原理图如图所示。电路选用电压比较器芯片LM239D,3.3 V电源供电,采用二极管对输入锥扫基准信号限幅整形。电路的输出为3.3 V方波信号,周期与输入信号相同,认为方波上升沿为锥扫基准信号的相位零点。锥扫基准信号采集电路输出的方波信号接入到控制主板定时器0,将其设置为输入管脚,使用其脉宽计数及捕获模式对方波信号进行计数。
。 (本文来源网友上传,如有侵权,可联系管理员删除)
版权声明:网站转载的所有的文章、图片、音频视频文件等资料的版权归版权所有人所有。如果本网所选内容的文章作者及编辑认为其作品不宜公开自由传播,或不应无偿使用,请及时联络我们,采取适当措施,避免给双方造成不必要的经济损失。