以太网是Xerox公司发明的基带LAN标准。它采用带冲突检测的载波监听多路访问协议(CSMA/CD),速率为10Mbps,传输介质为同轴电缆。而IEEE802.3标准是在最初的以太网技术基础上于1980年开发成功的。现在,以太网一词泛指所有采用CSMA/CD协议的局域网。以太网2.0版由数字设备公司、Intel公司和Xerox公司联合开发,它与IEEE802.3兼容。以太网IEEE802.3a供电设备 (PSE)解决方案,不需要外接元件能自动管理四个802.3端口,可以自动检测受电设备 (PD)和分类,满足IEEE 400-ms TPON 标准。主要用在以太网交换和路由器、住宅区网关、PoE传递系统、无线回传、监测NVR和DVR等。
TPS23861是一种易于使用,灵活的IEEE802.3 PSE解决方案。它会自动管理四个802.3(通过接口),无需任何外部控制。 TPS23861可以自动检测具有有效信号的用电设备(PD),并根据分类和用电能力,来决定电源的要求。其2 PD类型可以进行两事分类。该TPS23861支持直流断开,其外部FET架构使得设计人员能够兼顾产品尺寸、效益和解决方案的成本。独特的引脚输出成全了2层PCB设计(通过逻辑分组、I2C,以及电源引脚上下差异的清除)。这也提供了较佳的散热性能和Kelvin的精度,以及低构建成本。

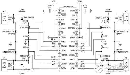
图3 TPS23861自动四端口工作电路图

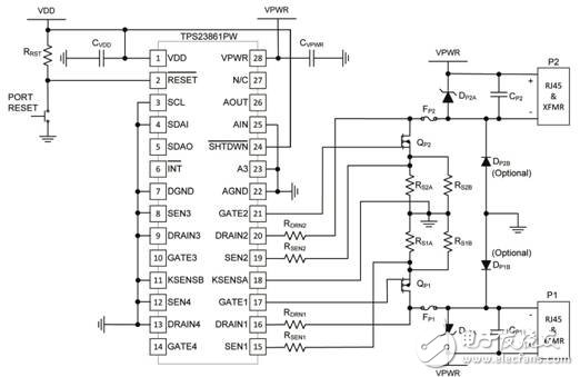
图4 TPS23861带端口重置的两端口自动模式应用电路图
以太网和IEEE802.3通常由接口卡(网卡)或主电路板上的电路实现。以太网电缆协议规定用收发器将电缆连到网络物理设备上。收发器执行物理层的大部分功能,其中包括冲突检测及收发器电缆将收发器连接到工作站上。IEEE802.3提供了多种电缆规范,10Base5就是其中的一种,它与以太网最为接近。在这一规范中,连接电缆称作连接单元接口(AUI),网络连接设备称为介质访问单元(MAU)而不再是收发器。

图5 TPS23861四端口自动模式应用电路图

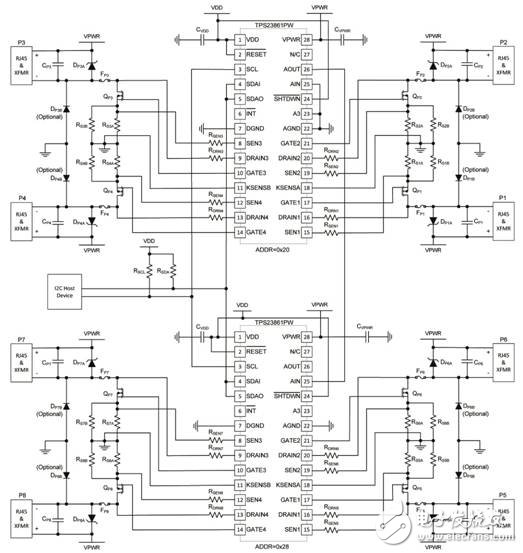
图6 TPS23861八端口半自动模式工作电路图
以太网控制器也称以太网适配器,就是我们通常称的“网卡”。安装方法即是插在机器主板的PCI扩展槽里,一般为白色,然后安装所购买网卡中内附的驱动光盘即可。不装网卡的话你是无法连接网络的。不过现在一般主板都有集成网卡。
。 (本文来源网友上传,如有侵权,可联系管理员删除)
版权声明:网站转载的所有的文章、图片、音频视频文件等资料的版权归版权所有人所有。如果本网所选内容的文章作者及编辑认为其作品不宜公开自由传播,或不应无偿使用,请及时联络我们,采取适当措施,避免给双方造成不必要的经济损失。