FPGA(Field-Programmable Gate Array),即现场可编程门阵列,它是在PAL、GAL、CPLD等可编程器件的基础上进一步发展的产物。它是作为专用集成电路(ASIC)领域中的一种半定制电路而出现的,既解决了定制电路的不足,又克服了原有可编程器件门电路数有限的缺点。FPGA的开发相对于传统PC、单片机的开发有很大不同。FPGA以并行运算为主,以硬件描述语言来实现;相比于PC或单片机(无论是冯诺依曼结构还是哈佛结构)的顺序操作有很大区别,也造成了FPGA开发入门较难。目前国内有专业的FPGA外协开发厂家,开发展基本电路如下:
蜂鸣器电路如图3.47所示。FM信号由FPGA的I/O口控制。当FM为高电平时,Q1的BE导通,则CE导通,蜂鸣器的5V和GND形成回路,发出声音。当FM为低电平时,Q1的BE断开,则CE断开,蜂鸣器的5V和GND断开,因此没有电流流过蜂鸣器,蜂鸣器便不发声。在后面的实验中,我们可以使用PWM信号,即以固定的时高时低的电平控制Q1的导通与否,然后达到蜂鸣器的时断时开,人耳听到的便是不同频率的声响。

图3.47 蜂鸣器驱动电路
8个LED指示灯的电路如图3.48所示,他们公共端接电源3.3V,另一端连接FPGA的I/O口。若输出高电平,LED熄灭;若输出低电平,则LED点亮。这8个LED的接口是与数码管的段选信号复用的。

图3.48 8个LED指示灯电路
3位的拨码开关电路如图3.49所示。

图3.49 拨码开关电路
如图3.50,我们可以对照实物,默认3个拨码开关应该都是拨向左侧(即1、2、3标记侧),在电路图上就是VCC3.3上拉一侧。就是说,默认情况下,3个连接FPGA的I/O口的信号SW_MODE1、SW_MODE2、SW_MODE3均为高电平。若拨码开关被拨到右侧(即标记ON侧),则采集到的输入就是低电平了。

图3.50 拨码开关实物照片
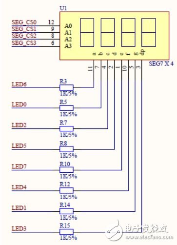
数码管电路如图3.51所示。SEG_CS0、SEG_CS1、SEG_CS2、SEG_CS3这4个信号对应控制数码管4位显示的片选信号,低电平有效,若4个片选信号都为0,则4位数码管都能点亮显示。LED0-7则也被复用为数码管的段选信号,控制一个数码管的对应段LED的亮灭状态,这一组信号对于4位的数码管是共用的。在实际控制时,我们一般会分时点亮需要显示的各个位数码管,只要时间控制得合理,人眼是很容易被“蒙骗”的,我们很容易就能看到4个不同的数字显示在数码管上。

图3.51 数码管驱动电路
A/D芯片的电路如图3.52所示。它通过一个单向(从A/D芯片到FPGA)数据传输的SPI接口与FPGA相连。FPGA通过这组SPI接口读取当前模拟电压值。为了得到不同的模拟电压值,我们的板子在A/D芯片的模拟输入端设置了一个3.3V的分压电阻,当跳线帽连接了P3的1-2引脚时,调节可变电阻R24的阻值便能改变当前A/D采样的数据。跳线帽若连接P3的2-3引脚,则AD芯片的输入模拟电压来自于D/A芯片的当前输出。

图3.52 A/D芯片驱动电路
D/A转换电路如图3.53所示。这个D/A芯片通过I2C接口与FPGA连接,FPGA通过这组I2C接口输出数据,相应D/A芯片的VOUT输出模拟电压值。若跳线帽连接P2的1-2引脚,则不同的模拟电压值输出驱动D9指示灯呈现不同的亮度。

图3.53 D/A芯片驱动电路
FPGA(现场可编程逻辑器件)产品的应用领域已经从原来的通信扩展到消费电子、汽车电子、工业控制、测试测量等广泛的领域。而应用的变化也使FPGA产品近几年的演进趋势越来越明显:一方面,FPGA供应商致力于采用当前最先进的工艺来提升产品的性能,降低产品的成本;另一方面,越来越多的通用IP(知识产权)或客户定制IP被引入 FPGA中,以满足客户产品快速上市的要求。此外,FPGA企业都在大力降低产品的功耗,满足业界越来越苛刻的低功耗需求。

。 (本文来源网友上传,如有侵权,可联系管理员删除)
版权声明:网站转载的所有的文章、图片、音频视频文件等资料的版权归版权所有人所有。如果本网所选内容的文章作者及编辑认为其作品不宜公开自由传播,或不应无偿使用,请及时联络我们,采取适当措施,避免给双方造成不必要的经济损失。