继电器是一种电子控制器件,它具有控制系统(又称输入回路)和被控制系统(又称输出回路),通常应用于自动控制电路中,它实际上是用较小的电流去控制较大电流的一种“自动开关”。故在电路中起着自动调节、安全保护、转换电路等作用。
继电器的继电特性
继电器的输入信号 x 从零连续增加达到衔铁开始吸合时的动作值 xx,继电器的输出信号立刻从 y=0 跳跃y=ym,即常开触点从断到通。一旦触点闭合,输入量 x 继续增大,输出信号 y 将不再起变化。当输入量 x 从某一大于 xx 值下降到xf,继电器开始释放,常开触点断开。我们把继电器的这种特性叫做继电特性,也叫继电器的输入-输出特性。
一、继电器(relay)的工作原理和特性

1、电磁继电器的工作原理和特性
电磁式继电器一般由铁芯、线圈、衔铁、触点簧片等组成的。只要在线圈两端加上一定的电压,线圈中就会流过一定的电流,从而产生电磁效应,衔铁就会在电磁力吸引的作用下克服返回弹簧的拉力吸向铁芯,从而带动衔铁的动触点与静触点(常开触点)吸合。当线圈断电后,电磁的吸力也随之消失,衔铁就会在弹簧的反作用力返
回原来的位置,使动触点与原来的静触点(常闭触点)释放。这样吸合、释放,从而达到了在电路中的导通、切断的目的。对于继电器的“常开、常闭”触点,可以这样来区分:继电器线圈未通电时处于断开状态的静触点,称为“常开触点”;处于接通状态的静触点称为“常闭触点”。
2、电路原理
2.1 继电器简单介绍
基本概念
继电器是一种当输入量变化到某一定值时,其触头(或电路)即接通 或分断交直流小容量控制回路
2.2 工作原理

由永久磁铁保持释放状态,加上工作电压后,电磁感应使衔铁与永久磁铁产生吸引和排斥力矩,产生向下的运动,最后达到吸合状态。
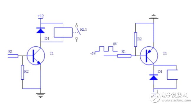
3、 晶体管驱动驱动电路
3.1 电路原理图

当晶体管用来驱动继电器时,推荐用NPN三极管。具体电路如下:
工作原理简介
当输入高电平时,晶体管T1饱和导通,继电器线圈通电,触点吸合。
当输入低电平时,晶体管T1截止,继电器线圈断电,触点断开。
3.2 电路中各元器件的作用
晶体管T1为控制开关。
电阻R1主要起限流作用,降低晶体管T1功耗。
电阻R2使晶体管T1可靠截止。
二极管D1反向续流,为三极管由导通转向关断时为继电器线圈中的提供泄放通路,并将其电压箝位在+12V上。
4、集成电路驱动电路

目前已使用多个驱动晶体管集成的集成电路,使用这种集成电路能简化驱动多个继电器的印制板的设计过程。现在我司所用驱动继电器的集成电路主要有TD62003AP。
当2003输入端为高电平时,对应的输出口输出低电平,继电器线圈两端通电,继电器触点吸合;
当2003输入端为低电平时,对应的输出口呈高阻态,继电器线圈两端断电,继电器触点断开。
24V 继电器的驱动电路

继电器串联 RC 电路:这种形式主要应用于继电器的额定工作电压低于电源电压的电路中。当电路闭合时,继电器线圈由于自感现象会产生电动势阻碍线圈中电流的增大,从而延长了吸合时间,串联上 RC 电路后则可以缩短吸合时间。原理是电路闭合的瞬间,电容 C 两端电压不能突变可视为短路,这样就将比继电器线圈额定工作电压高的电源电压加到线圈上, 从而加快了线圈中电流增大的速度,使继电器迅速吸合。电源稳定之后电容 C 不起作用,电阻 R 起限流作用。
二、继电器额定工作电压的选择
继电器额定工作电压是继电器最主要的一项技术参数。在使用继电器时,应该首先考虑所在电路(即继电器线圈所在的电路)的工作电压,继电器的额定工作电压应等于所在电路的工作电压。一般所在电路的工作电压是继电器额定工作电压的0.86。注意所在电路的工件电压千万不能超过继电器额定工作电压,否则继电器线圈容易烧毁。另外,有些集成电路,例如NE555电路是可以直接驱动继电器工作的,而有些集成电路,例如 COMS 电路输出电流小,需要加一级晶体管放大电路方可驱动继电器,这就应考虑晶体管输出电流应大于继电器的额定工作电流。
1、晶体管驱动电路
当晶体管用来驱动继电器时,必须将晶体管的发射极接地。具体电路如下:

2 、原理简介
NPN 晶体管驱动时:当晶体管 T1基极被输入高电平时,晶体管饱和导通,集电极变为低电平,因此继电器线圈通电,触点 RL1吸合。当晶体管 T1基极被输入低电平时,晶体管截止,继电器线圈断电,触点 RL1断开。
编辑点评:本文介绍了继电器的工作原理以及继电器的驱动电路,驱动电路的设计要根据所用继电器线圈的吸合电压和电流而定,一定要大于继电器的吸合电流才能使继电器可靠地工作。
。 (本文来源网友上传,如有侵权,可联系管理员删除)
版权声明:网站转载的所有的文章、图片、音频视频文件等资料的版权归版权所有人所有。如果本网所选内容的文章作者及编辑认为其作品不宜公开自由传播,或不应无偿使用,请及时联络我们,采取适当措施,避免给双方造成不必要的经济损失。