二次回路(secondary circuit) 定义:测量回路、继电保护回路、开关控制及信号回路、操作电源回路、断路器和隔离开关的电气闭锁回路等全部低压回路。由二次设备互相连接,构成对一次设备进行监测、控制、调节和保护的电气回路称为二次回路。是在电气系统中由互感器的次级绕组、测量监视仪器、继电器、自动装置等通过控制电缆联成的电路。用以控制、保护、调节、测量和监视一次回路中各参数和各元件的工作状况。 用于监视测量表计、控制操作信号、继电保护和自动装置等所组成电气连接的回路均称为二次回路或称二次接线。
二次回路电路详解
1、图1 为直流母线电压监视装置电路图,请说明其作用
答:直流母线电压监视装置主要是反映直流电源电压的高低。KV1是低电压监视继电器,正常电压KV1励磁,其常闭触点断开,当电压降低到整定值时, KV1失磁,其常闭触点闭合, HP1光字牌亮,发出音响信号。KV2是过电压继电器,正常电压时KV2失磁,其常开触点在断开位置,当电压过高超过整定值时KV2励磁,其常开触点闭合, HP2光字牌亮,发出音响信号。

图1 直流母线电压监控装置接线图
2、说明图2 直流绝缘监视装置接线图各元件的作用
答:图2 是常用的绝缘监察装置接线图,正常时,电压表1PV开路,而使ST1的触点5-7、9-11( ST1的1-3、2-4断开)与ST2的触点9-11接通,投入接地继电器KA。当正极或负极绝缘下降到一定值时,电桥不平衡使KA动作,经KM而发出信号(若正、负极对地的绝缘电阻相等时,不管绝缘下降多少,KA不可能动作,就不能发出信号,这是其缺点)。此时,可用2PV进行检查,确定是哪一极的绝缘下降(测“+”对地时,ST2的2-1、6-5接通;测“-”对地时,ST2的1-4、5-8接通。正常时,母线电压表转换开关ST2的2-1、5-8、9-11接通,电压表2PV可测正、负母线间电压,指示为220V。),
若正极对地绝缘下降,则投ST1 I档,其触点1-3、13-14接通,调节R3至电桥平衡电压表1PV指示为零伏;再将ST1投至II档,此时其触点2-4、14-15接通,即可从1PV上读出直流系统的对地总绝缘电阻值。若为负极对地绝缘下降,则先将ST1放在II档,调节3R至电桥平衡,再将ST1投至I档,读出直流系统的对地总绝缘电阻值。假如正极发生接地,则正极对地电压等于零。而负极对地指示为220V,反之当负极发生接地时,情况与之相反。电压表1PV用作测量直流系统的总绝缘电阻,盘面上画有电阻刻度。
由于在这种绝缘监察装置中有一个人工接地点,为防其它继电器误动,要求电流继电器KA有足够大的电阻值,一般选30kΩ,而其启动电流为1.4mA,当任一极绝缘电阻下降到20 kΩ时,即能发出信号。对地绝缘下降和发生接地是两种情况。

图2 直流绝缘监控装置接线图
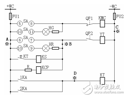
3、根据图3 分别说明A点与C点;B点与C点;A点与B点或A点与D点同时发生接地时有什么危害
答:直流系统在变电站中具有重要的位置。要保证一个变电站长期安全运行,其因素是多方面的,其中直流系统的绝缘问题是不容忽视的。变电站的直流系统比较复杂,通过电缆沟与室外配电装置的端子排、端子箱、操作机构箱等相连接,因电缆破损、绝缘老化、受潮等原因发生接地的可能性较多,发生一极接地时,由于没有短路电流,熔断器不会熔断,仍可继续运行,但也必须及时发现、及时消除。通常,要求直流系统的各种小母线、端子回路、二次电缆对地的绝缘电阻值,用500V摇表测量其值不得小于0.5MΩ。直流回路绝缘的好坏必须经常地进行监视。否则,会给运行带来许多不安全因素。
现以图3 为例说明直流接地的危害。当图中A点与C点同时有接地出现时,等于+WC、-WC通过大地形成短路回路,可能会使熔断器FU1和FU2熔断而失去保护电源;当B点与C点同时有接地出现时,等于将跳闸线圈短路,即使保护正常动作,YT跳闸线圈短路,即使保护正常动作,YT跳闸线圈也不会起动,断路器就不会跳闸,因此在有故障的情况下就要越级跳闸;当A点与B点或A点与D点,同时接地时,就会使保护误动作而造成断路器跳闸。直流接地的危害不仅仅是以上所谈的几点,还有许多,在此不一一作介绍了。
因为发生直流接地将产生许多害处,所以对直流系统专门设计一套监视其绝缘状况的装置,让它及时地将直流系统的故障提示给值班人员,以便迅速检查处理。

图3 直流接地示意图
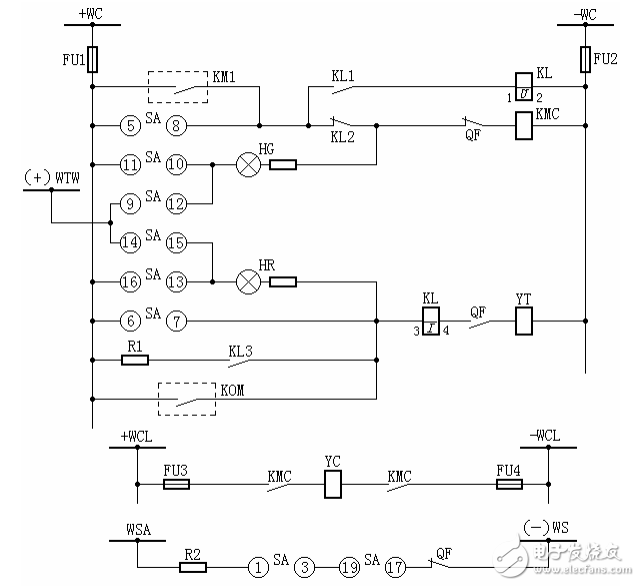
4、据图4 具有灯光监视的断路器控制回路图(电磁操动机构)说明各元件的名称,动作过程
答:图中:+WC、-WC — 控制母线; FU1、FU2—熔断器,R1-10/6型,250V; SA — 控制开关,LW2-1a.4.6a.40.20.20/F8型;HG — 绿色信号灯具,XD2型,附2500Ω电阻;HR — 红色信号灯具,XD2型,附2500Ω电阻;
KL — 中间继电器,DZB-115/220V型;KMC—接触器; KOM — 保护出口继电器;QF—断路器辅助开关;WCL—合闸小母线;WSA—事故跳闸小母线; WS—信号小母线;YT—断路器跳闸线圈;YC—断路器合闸线圈,FU1、FU2—熔断器,RM10-60/25 250V;R1—附加电阻,ZG11-25型,1Ω;R2—附加电阻,ZG11-25型,1000Ω;(+)WTW—闪光小母线。
(一)“跳闸后”位置
当SA的手柄在“跳闸后”位置,断路器在跳闸位置时,其常闭触点闭合,+WC经FU1 →SA11-10 →HG及附加电阻→ QF(常闭) KMC线圈→ FU2 →-WC。此时,绿色信号灯回路接通,绿灯亮,它表示断路器正处于跳闸后位置,同时表示电源、熔断器、辅助触点及合闸回路完好,可以进行合闸操作。但KMC不会动作,因电压主要降在HG及附加电阻上。
(二)“预备合闸”位置
当SA的手柄顺时针方向旋转90o至“预备合闸”位置,SA9-10接通,绿灯HG回路由(+)WTW→ SA9-10→ HG QF(常闭)→ KMC→FU2 →-WC导通,绿灯闪光,发出预备合闸信号,但KMC仍不会启动,因回路中串有HG和R。
(三)“合闸”位置
当SA的手柄再顺时针方向旋转45o至“合闸”位置时,SA5-8触点接通,接触器KMC回路由+WC→ SA5-8→ KL2(常闭)→ QF(常闭)→KMC线圈 →-WC导通而启动,闭合其在合闸线圈回路中的触点,使断路器合闸。断路器合闸后,QF常闭触点打开、常开触点闭合。
(四)“合闸后”位置
松手后,SA的手柄自动反时针方向转动45°,复归至垂直(即“合闸后”)位置,SA16-13触点接通。此时,红灯HR回路由 FU1→SA16-13→ HR →KL线圈→ QF(常开)→ YT线圈→ FU2→-WC导通,红灯亮,指示断路器处于合闸位置,同时表示跳闸回路完好,可以进行跳闸。
(五)“预备跳闸”位置
将SA手柄反时针方向转45°至“跳闸”位置,SA6-7导通,HR及R被短接,经+WTW→HR→KL→QF常开触点→YT→-WC回路,红灯闪光,发出预备合闸信号。
(六)“跳闸”位置
将SA手柄反时针反向45°至“跳闸”位置,SA6-7导通,HR及R被短接,经+WC→SA6-7→KL→QF常开触点→-WC,使YT励磁,断路器跳闸。断路器跳闸后,其常开触点断开,常闭触点闭合,绿灯亮,指示断路器已跳闸完毕,放开手柄后,SA复位至“跳闸后”位置。
当断路器手动或自动重合在故障线路上,保护装置将动作跳闸,此时如果运行人员扔将控制开关放在“合闸”位置(SA5-8触点接通),或自动装置触点KM1未复归,断路器SA5-8将再合闸。因为线路有故障,保护又动作跳闸,从而出现多次“跳合一”现象。此现象称为“跳跃”。断路器若发生跳跃不仅会引起断路器毁坏,而且还讲扩大事故,所谓“防跳”措施,就是利用操作机构本身机械上具有的“防跳”闭锁装置或控制回路中所具有的电气“防跳”接线,来防止断路器发生“防跳”的措施。
图4中所示控制回路采取了电气“防跳”接线。其KL为跳跃闭锁继电器,它有两个线圈,一个电流启动线圈,串于跳闸回路中;另一个电压保护线圈,经过自身常开触点KL1与合闸接触器线圈并联。此外在合闸回路中还串有常闭触点KL2,其工作原理如下:
当利用控制开关(SA)或自动装置(KM1)进行合闸时,若合在故障线上,保护将动作,KOM触点闭合,使断路器跳闸。跳闸回路接通的同时,KL电流线圈带电,KL动作,其常闭触点KL2断开合闸回路,常开触点KL1接通KL的电压自保持线圈。此时,若合闸脉冲未解除(如SA未复归或KM1卡住等),则KL可靠地断开合闸回路,使断路器不能再次合闸。只有当合闸脉冲解除(即KM1断开或SA5-8切断),KL的电压自保持线圈断电后,回路才能恢复至正常状态。
图中KL3的作用是用来保护出口继电器触点KOM的,防止KOM先于QF打开而被烧坏。电阻R1的作用是保证保护出口回路中当有串接的信号继电器时,信号继电器能可靠动作。

图4 灯光监视的断路器控制回路(电磁操动机构)
编辑点评:二次回路图的最大特点是逻辑性很强,其设备、元件的动作严格按照设计的先后顺序进行,所以看图时只要抓住一定的规律:先一次,后二次;先交流,后直流;先电源,后接线;先线圈,后触点;先上后下;先左后右。
接着读:
二次回路电路原理图及讲解(二)——电路天天读
二次回路电路原理图及讲解(三)——电路天天读
二次回路电路原理图及讲解(四)——电路天天读
。 (本文来源网友上传,如有侵权,可联系管理员删除)
版权声明:网站转载的所有的文章、图片、音频视频文件等资料的版权归版权所有人所有。如果本网所选内容的文章作者及编辑认为其作品不宜公开自由传播,或不应无偿使用,请及时联络我们,采取适当措施,避免给双方造成不必要的经济损失。