脉冲金属探测器电路图(一)
该金属探测器由探测振荡器、基准振荡器和音频放大器等组成,地下金属探测器电路图如下所示。

电路调整
安装好电路中各元件后,首先应调节晶体管VI~V3的工作电流。调节微调电阻器RI的阻值,使VI和V2的集电极电流为1mA,V3的集电极电流为2mA。然后将音量电位器RP调至阻值最小的位置(音量最大状态),将微调电容器C3顺时针不停旋动时会发现:扬声器中会发出音频叫声9声音频率由高至低直至无声9又出现音频叫声9声音频率由低至高变化。重新调节C3,使之处于两次音频叫声之间的无声点上。将探寻线圈L1逐渐靠近金属物体(最好是铁质物体),扬声器中应发出低频率至高频率的音频叫声。
元器件选择
R1选用小型电位器或可变电阻器;R2~R5均选用1/4W金属膜电阻器。
RP选用小型膜式电位器。
C1选用高频瓷介电容器;C2、C5~C8、CIO均选用耐压值为10Y的铝电解电容器;C3选用瓷介微调电容器;C4、C9均选用涤纶电容器或独石电容器。
VI、V3均选用电流放大倍数大于100的硅PN晶体管,例如S9014等型号;V2选用电流放大倍数大于100的PNP型晶体管,例如S9015等型号。
IC选用LM386型音频放大集成电路
Ll可用Φ0.45mm的漆包线绕30匝后,再弯成Φ0.6m的圆圈;12选用固定式高频磁心电感器。
BIL可选用0.25W、8Ω的扬声器。
探测振荡器由晶体管VI、V2和探测线圈L1、电容器C1等组成。
基频振荡器由晶体管VI、Y3和电感器L2、电容器C3等组成。
音频放大器由音频功率放大集成电路IC、音量电位器RP和电容器C6~C8等组成。
在u未检测到金属物体时,探测振荡器的工作频率与基频振荡器的工作频率相同(均为320kHz左右),Y3的发射极无音频信号输出,扬声器BL中无声音。
当LI探测到地下埋藏有金属物体后,探测振荡器的工作频率将变高,Y3的发射极将输出一个音频信号,该信号经IC放大后,驱动扬声器BI,发出音频叫声,提示使用者“已探测到金属物体”了。
1234下一页全文 。 (本文来源网友上传,如有侵权,可联系管理员删除)
脉冲金属探测器电路图(二)

如图所示为双线圈金属探测器电路。该探测器由探测头、发射器、接收器、定时器和音响发射器等组成。

发射电路如图(b)所示,由多谐振荡器(IC1、R1、R2、C2)、单稳定时器(IC2、R4、C4)组成,且定时器IC2受多谐振荡器IC1输出的脉冲触发。振荡器的振荡频率为f=1.44/(R1+2R2)C2,图示参数对应的约为100Hz。定时器的定时时间为td=l.1R4C4,图示参数对应的约为165μs。在定时时间内,由IC2③脚输出的(高电平)信号使BG1、BG2饱和导通。

接收电路如图(c)所示,主要由差分放大器和检测放大器组成。差分藏大器IC5(μA709CP)将图(b)中线圈的感应信号进行差分放大,放大后的信号在定时电路的开启波门期间通过BG3,送至检测放大器IC6。

定时电路如图(d)所示,由IC3、R10、C7和IC4、R12、C9组成的两个单稳延时电路组成,且IC4受IC3的输出控制。其中前者的延迟时间为td=l.1R12C9,图示参数对应的约为36μs;后者盼延迟时间为td2=1.1R10C7,图示参数对应的约为50μs,其输出信号送至接收器的BG3,以作为开启波门。

音响发生器如图(e)所示,核心是由555(IC9)、BG4、R26、R27、C17等组成的多谐振荡器。当无金属感应信号时,由IC6⑥脚输出的信号使BG4截止,多谐振荡器不工作,相应喇叭不发声。当有金属感应信号,且搜索线圈逐渐向金属体靠近时,感应信号变大,则BG4的导通状况变好,从而使IC9的振荡频率逐渐增高,当接近金属体时,由IC9输出的高频振荡信号便驱动喇叭发出高频音响,表示此处有金属物体。
脉冲金属探测器电路图(三)
基于TDA0161单片集成电路设计金属机身检测通过检测高频涡流损耗的变化,这些金属探测器电路图。对于探测金属,TDA0161需要一个外部LC调谐电路。
输出信号是由供电电流的变化。这个电流与电源电压无关,是高还是低的存在或缺乏密切的金属物体。本金属探测器电路使用两个LED,提供在金属线圈的周围,存在或不存在的视觉指示。要调整你需要的电路,以确保没有金属线圈附近,然后设置“中间位置”微调。之后,你需要调整课程的调整,打开LED,调整微调关闭LED。
这个探测器的电子电路工作在较大范围内的4-35伏的输入电压。如果您想要,您可以使用其他值CX电容和L1电感器(更改此值会影响振荡频率和检测范围)。

脉冲金属探测器电路图(四)
采用锁相环IC的金属探测器电路如下图所示,使用锁相环ICNE565,灵敏度较高,探测距离可达75cm。其基本原理是锁相环IC中的VCO(压控振荡器)输出一相移信号,并把这相移信号反送至输入环路就是会锁定。这一电路会使网络的频率产生90度的相移,从而可以检测误差信号的存在。在探测距离为75cm以内时,本电路可区分出铁类金属和非铁类金属。当探测到的是非铁类金属时,VDO的频率增高,当控测到的是铁类金属时VCO的频率降低。

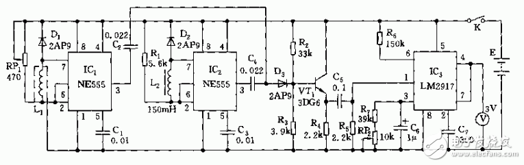
脉冲金属探测器电路图(五)
如图为555构成的金属探测器电路图。该电路由振荡器,混频器和频率–电压转换器等组成。具有灵敏度高,显示直观等优点。IC1(555)和L1,D1,RP1组成探测振荡器,L1为探测线圈,装在探测手柄内。其振荡频率f1=0.72R/L1,图示参数对应的频率为26kHz。选择26kHz的超长频率是为了减弱土壤对电磁波德吸收。IC2(555)和L2,D2,R1等组成参考振荡器。两振荡信号加至VT1进行混频,再将差频信号送入IC3。IC3采用LM2917,这是一支具有电荷泵和比较电路的集成电路,在这里用作频率/电压转换器,其线性度一般在0.3%以内,它将输入的差频转换成电压,在量程3V的直流电压表中显示。负载也可用音响电路来代替。

。 (本文来源网友上传,如有侵权,可联系管理员删除)
版权声明:网站转载的所有的文章、图片、音频视频文件等资料的版权归版权所有人所有。如果本网所选内容的文章作者及编辑认为其作品不宜公开自由传播,或不应无偿使用,请及时联络我们,采取适当措施,避免给双方造成不必要的经济损失。