• 周日. 10 月 12th, 2025

脉冲计数器的设计与分析详解 – 信号处理电子电路图

5 月 6, 2019

  脉冲计数器简介

  计数器是数字系统中用得较多的基本逻辑器件。计数器采用全自动贴片封装工艺,具有很强的抗干扰能力,并具有多种输出功能和控制功能,多种计数模式,广泛运用于电力、石化、冶金、轻工、制药、航空等诸多领域。

  技术参数

  1、 水表脉冲一般为干簧管信号,水表计数要防止抖动、不丢脉冲。在程序设计时,脉冲计数的优先级要大于其他程序的优先级。水表脉冲计数自动保存在模块内的存储器里。

  2、 水表计数模块具有RS485自由通讯协议功能或者ModBus协议通讯功能,自由通讯协议应该简单明了,容易应用。

  3、 水表计数模块供电电源分外部供电和电池供电,并且电路板上要有容量大一点的电容。外部供电为DC24V,当用外部供电时,电池停止供电;当外部供电中断时,电池供电,当外部供电和电池供电都中断后,电容供电。当外部供电或者电池供电中断后,要有报警信号输出。电池选用市场上的通用电池。

  4、 计算机根据RS485通讯协议或者ModBus通讯协议能对模块的地址进行更改、对模块里的数据进行设置。并能读出模块的地址、计数数据、报警信息等。

  5、 水表模块的封装应防水、防潮、放静电、防冻、防高温,易于安装、拆卸和维护。

  6、 所有接线端子要至少能接0.5m2 线径的RVV或BVR电缆。

  用处

  脉冲计数器当前应用范围主要有电表、水表、煤气表以及光电等等;下面就依水表计数模块简要讲述一下计数器的基本功能、操作方法及其技术参数等。

  1、 水表脉冲自动计数功能。通讯时不妨碍计数;

  2、 具有RS485自由协议或ModBus协议通讯功能;

  3、 断电保持数据功能;

  4、 通过计算机软件对模块内的地址、数据写功能和数据读功能;

  5、 故障诊断输出功能;

  6、 水表模块一般安装在现场,需要防水、防潮、防冻、防高温。具有抗干扰能力;

  计数器是数字系统中用得较多的基本逻辑器件。计数器采用全自动贴片封装工艺,具有很强的抗干扰能力,并具有多种输出功能和控制功能,多种计数模式,广泛运用于电力、石化、冶金、轻工、制药、航空等诸多领域。

  脉冲计数器设计与分析

  总体框图及模块设计

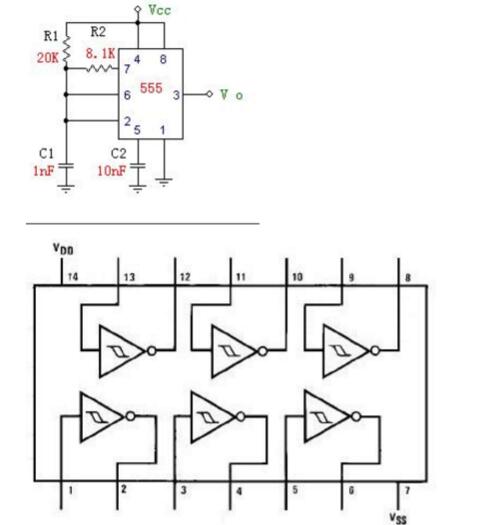
  NE555定时器产生脉冲信号→ 施密特触发器整形→ 计数器计数 → 数字信号译码 → 数码管显示

  脉冲计数器的设计与分析详解

  CC40106由六个斯密特触发器电路组成。每个电路均为在两输入端具有斯密 特触发器功能的反相器。触发器在信号的上升和下降沿的不同点开、关。上升电压(V T+)和下降电压(V T-)之差定义为滞后电压。

  脉冲计数器的设计与分析详解

  脉冲计数器的设计与分析详解

  脉冲计数器的设计与分析详解

  脉冲计数器的设计与分析详解

  切换时间波形:

  脉冲计数器的设计与分析详解

  74LS161是常用的四位二进制可预置的同步加法计数器

  脉冲计数器的设计与分析详解

  74LS161是常用的四位二进制可预置的同步加法计数器

  管脚图介绍:

  时钟CP和四个数据输入端P0~P3

  清零/MR

  使能CEP,CET 置数PE

  数据输出端Q0~Q3

  以及进位输出TC. (TC=Q0·Q1·Q2·Q3·CET)

  脉冲计数器的设计与分析详解

  脉冲计数器的设计与分析详解

  从74LS161功能表功能表中可以知道,当清零端CR=“0”,计数器输出Q3、Q2、Q1、Q0立即为全“0”,这个时候为异步复位功能。当CR=“1”且LD=“0”时,在CP信号上升沿作用后,74LS161输出端Q3、Q2、Q1、Q0的状态分别与并行数据输入端D3,D2,D1,D0的状态一样,为同步置数功能。而只有当CR=LD=EP=ET=“1”、CP脉冲上升沿作用后,计数器加1。74LS161还有一个进位输出端CO,其逻辑关系是CO= Q0·Q1·Q2·Q3·CET。合理应用计数器的清零功能和置数功能,一片74LS161可以组成16进制以下的任意进制分频器

  脉冲计数器的设计与分析详解

  74LS47译码器原理:

  译码为编码的逆过程。它将编码时赋予代码的含义“翻译”过来。实现译码的逻辑电路成为译码器。译码器输出与输入代码有唯一的对应关系。74LS47是输出低电平有效的七段字形译码器,它在这里与数码管配合使用,表2列出了74LS47的真值表,表示出了它与数码管之间的关系。

  脉冲计数器的设计与分析详解

  脉冲计数器的设计与分析详解

  脉冲计数器的设计与分析详解

  总体电路设计

  系统测试,抗干扰及注意细节

  1、NE555集成芯片三脚输出波形需整形

  2、电阻电容用精密电阻电容为了提高稳定性和精度

  3、波形整形用廉价的施密特触发器

  脉冲计数器设计结果分析论证

  硬件调试

  第一步:检查电路中各个元件是否接的可靠、大小是否合理,特别是NE555必须接正确

  第二步:在一切都正常的情况下,给电路上电,此时立即触摸NE555是否发烫,若发烫应立即断电

  第三步:若NE555没有发烫,则说明NE555工作正常,这时开始实验数据测试 。

  第四步:通过示波器观察NE555输出的方波信号,观察方波的失真情况。

  第五步:失真的波形通过施密特触发器进行整形,整形后的波形是没有失真方波。

  第六步:通过示波器观察波形的幅值大小

  第七步:通过示波器观察波形的周期,计算出波形的频率

  第八步:通过数码管观察显示数字

  第九步:统计实验数据

  第十步:断电

  结果分析得出结论

  该电路产生一个方波,不过由于电子元器件的差别和电路硬件的原因,产生的这些波形和理论有些差距。

  本次设计就是一种数字与模拟混合型的中规模集成电路555,外加电阻、电容等元件可以构成多谐振荡器。将原理图读懂,在元器件的选择上要合理,焊接时细心不要焊错或者虚焊的情况,就能将产品做好。

。 (本文来源网友上传,如有侵权,可联系管理员删除)

版权声明:网站转载的所有的文章、图片、音频视频文件等资料的版权归版权所有人所有。如果本网所选内容的文章作者及编辑认为其作品不宜公开自由传播,或不应无偿使用,请及时联络我们,采取适当措施,避免给双方造成不必要的经济损失。