温度检测电路设计方案(一)
温度检测电路通常由温度探测、数模转换以及结果处理等部分组成。温度探测电路将环境温度转换成对应的电信号,模数转换电路将电信号转换成数字量,然后送处理器进行必要的处理,从而获得相应的环境温度参数,如图1所示。
其中,温度检测部分一般采用热敏电阻,但是热敏电阻精度比较低,响应速度较慢。目前出现了一些专用的温度探测芯片,精度大大提高,而且对温度改变的灵敏度也达到了非常高的标准,如NaTIonal公司的IM35系列。
温度探测电路一般是将温度的变化转化为电压信号的变化,因此需要通过模数转换电路转换成数字信号才能为处理器所接受,从而通过计算获得真实的温度信息以便处理器进行进一步的处理。
下面以NaTIonal公司的IM35系列温度传感器和AD公司的AD7812模数转换器为例,讨论基于支持串行总线多通道、高精度温度检测方案的设计思想。其电路原理框图如图2所示。

电压正比于当前环境温度,在室温下,它的探测精度可以达到±1/4。C,在一55~+150℃区间,它的精度可以达到±34~C,它的典型变化趋势是温度每变化l℃,电压变化10mV,其温度/电压转化公式为:
V一10mV/℃·C(1)
式中:为转换输出电压,C为系统实际温度。
AD7812是一种串行AD转换芯片,它支持最多8通道输入(AD78ll为4通道),这样我们就可以很容易的设计支持多路温度检测的电路。
AD7812的工作方式由一片内部控制寄存器决定,它可以由Convst脚的脉冲输入启动转换,也可以通过软件控制完成转换,在实际设计中,由于软件控制更加灵活,所以一般采用软件控制的方法进行转换,它的控制寄存器定义如下:

软件编程
软件控制主要针对AD转换芯片AD78l2进行控制。需要完成模数转换、串行数据读取等功能。AD7812有两种工作状态,模式1在转换完成后不关闭电源;模式2在转换完成后关闭电源。一般情况下都选用模式l工作方式,以下就主要针对模式1工作方式展开讨论。

图3是一种典型的控制时序图,首先置PD0、PD1位为l,开启片内电源,使芯片开始工作;在下一个启动转换完成后,数据总线上数据就有效了,转换数据就可以串行输出了。从图中可以看出,第一次转换的数据是无效的,这是因为片内电源还未开启,这是编程者需要注意的地方。

图4就是实际通讯时序图。RFS是接收数据同步信号,TFS是发送数据同步信号。平时,Dout的输出处于高阻状态,在RFS上升沿后的第一个SCIK上升沿,Dour输出数据有效,在第11个SCIK上升沿后,Dour重新回到高阻状态;在TFS下降沿后的第一个SCIK下降沿。Din线上的数据串行移入片内,在第l3个SCIKF降沿,片内控制寄存器内容被更新。在这里要注意,SCIK时钟个数一定要保证,否则容易产生问题。
温度检测电路设计方案(二)
1、控总电路组成
温控电路主要由电源部分、温度检测元件、信号放大、比例积分、电压比较、移相触发控制继电器、超温保护、加热炉和LED显示几部分组成,其电路结构如图1所示。

图1 温控系统电路组成图
由温度检测元件可以检测到温度值信号,该信号经过放大后输送至比例积分电路并与温度设定电压比较,比较结果输送至相触发电路产生可变周期的脉冲以触发固态继电器中可控硅导通角,从而可控制加热装置的加热功率,达到控制温度的目的。温度补偿电路减少室温对温度测量准确度的影响;超温保护电路可以保证在加热温度超过设定值时,装置停止加热,起到保护设备的作用。
2、各分电路设计
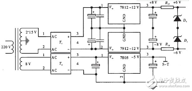
2.1、电源电路
温控电路中需要直流电压的器件为运算放大器及电子信息显示模块。该电压由220V交流电压经整流滤波后加。至三端稳压器输出得到。其电路如图2所示。

图2 电源电路图
2.2、输入温度信号放大及温度补偿电路
用感温元件镍硌一镍铬K型热电偶作温度传感器来采集温度信号,温度信号为mV级,实际测量时需经过放大处理。热电偶测量温度信号受工作端温度和自由端环境温度影响,所以测量中需要加补偿信号消除环境温度变化对温度测量的影响。具体电路如图3所示。

图3 信号放大及温度补偿电路
2.3、超温保护电路
以将功率为60w将加热装置加热至750℃为例,图3中温度信号经过放大100倍后加到比例积分电路并与温度设定电压比较,比较结果输送相触发电路产生可变周期脉冲以触发固态继电器。为避免加热温度过高设置超温保护电路,在温度过高时切断加热电压。具体电路如图4所示。

图4 比例积分、电压比较、移相触发及超温保护电路
温度检测电路设计方案(三)
在温度监测系统中,传感器必须把温度转换成电信号,经过信号调节阶段(信号处理取决于不同的传感器),然后送到一个模拟数字转换器(ADC),进行转换得到数值。系统还需要通信外设电路来和其它大的设备接口连接以便提供反馈,或者将数值送至片上闪存来存储测量值或者进行必要的显示。图2显示了温度测量系统的基本框图。

图2:温度测量系统框图
尽管图2显示在ADC之前进行了信号处理,是否有需要在信号转换之后进行处理还取决于是模拟系统还是数字系统。整体精度依赖于噪声控制、偏移、预处理电路及ADC所带来的增益误差。很多应用需要从远端进行实时温度数据采集,比如矿场、工业、和各种自动化场合。利用串行通信协议,如UART、I2C都可以用来给主系统控制器传输这种温度数据。
模拟数字转换器ADC的本身有一个低通滤波来去除高频噪声。然而,在模数转换器ADC输出端的IIR滤波器将有助于进一步弱化经过它或传输给模拟数字转换器ADC的噪声频带。市面上的混合信号控制器都可配置数字滤波器,它可以通过器件本身硬件处理过滤而无需在固件电路上进行过滤从而可以节省CPU周期。图3所示实现了一个基于热电偶的温度监测系统,它使用了赛普拉斯公司的PSoC5和PSoC3器件来实现。这些器件都有片上20位分辨率的delta-sigma模数转换器,都内置了可编程增益缓存用来放大信号,内置了数字滤波器模块(DFB)来滤波。它提供了一个高度集成的温度测量系统。然而,由于设计中有热电偶,所以可能需要附加一个增益段。这个增益可以通过一个放大器来实现,可以使用片上的可编程增益放大器(PGA)。

图3:基于热电偶传感器的温度测量系统电路。
在图3的系统中,模拟MUX、AMuxCDS和AMuxCDS_1是用来把传感器正端和负端输出的信号转换成模数转换器的正输入来实施相关双抽样。现在的问题是使用相同的模数转换器时如何让两个传感器电路都是一样的零参考值。答案是这样的–热敏电阻、热电偶有不同的输出电压范围,因此需要不同倍数的放大。PSoC3和PSoC5器件中的ADC有多个配置,可以改变运行时间。对于不同的增益设置,偏移也不同,所以需要两种传感器电路中都使用相关双抽样。这会帮助消除整个模拟信号链的偏移。AMux用于传感器在热电偶、热敏电阻之间的选择。直接内存访问(DMA)读取ADC值并写入数字滤波模块(DFB)来过滤噪声。
RTD和热敏电阻温度传感器设计电路
使用电阻式温度检测器(RTD)和热敏电阻测量温度时需要测量电阻,所以测量的方式决定了系统的精度。为了测量到精确的信号,应该使用差分输入而不是单端输入。差分输入可以消除普通噪声,而且效果不错,可以达到μV级的敏感度(相对于单端输入的mV灵敏度好多了)。让我们来看看两种连接-ve输入到ADC的不同模式,详见图4。

图4:两种不同的-ve连接方式设计电路
图4右边的电路设计好于左边的。在右面的电路中,-ve直接连接到靠近分压电阻的参考电压。右面的电路可以帮助降低测量时的噪声的和由于PCB布局或走线阻抗带来的误差等等。
测量的准确度主要取决于Rref的精确度。为了在电压激励中克服这个问题,RTD使用恒流源来代替电压源。当使用恒流源时,穿过RTD的电压降只取决于其电阻值和恒流源值。然而,使用恒流源励磁时测量的准确度取决于电流源的精确度。由于是进行精密的温度测量工作,DAC电流应该被TIA校准。图6显示了使用PSoC3和PSoC5器件实现的一个基于RTD的温度测量系统。这些器件有片上电流源,不需要额外增加模拟放大器电路。同时,这些设备有片上TIA可以用于为IDAC校准。

图6:基于电阻式温度检测器RTD的温度测量设计电路
温度检测电路设计方案(四)
智能小车是一个运用传感器、单片机、信号处理、电机驱动及自动控制等技术来实现环境感和自动行驶为一体的高新技术综合体,它在军事、民用和科学研究等方面已获得了应用。本设计主要分为两部分:按键控制部分和温度检测部分。控制部分主要由电源电路,单片机最小系统,按键模块和电机驱动模块组成,遥控部分的系统框图如图2-1所示。

小车部分由电源电路,单片机最小系统,显示电路,无线电木块,报警电路,超声波电路等电路模块组成,小车部分的系统框图如图2-2所示。

本设计采用直流电机,电机专用驱动芯片L298N进行电机驱动控制,主控芯片为STC89C52,控制器部分采用简单按键,温度数据的采集采用DS18B20温度传感器模块,显示部分采用1602液晶。
。 (本文来源网友上传,如有侵权,可联系管理员删除)
版权声明:网站转载的所有的文章、图片、音频视频文件等资料的版权归版权所有人所有。如果本网所选内容的文章作者及编辑认为其作品不宜公开自由传播,或不应无偿使用,请及时联络我们,采取适当措施,避免给双方造成不必要的经济损失。