• 周日. 11 月 2nd, 2025

HD2000型智能电力监测仪

1 月 21, 2019

一、产品概述

HD2000系列智能电力检测仪系采用新型大规模微处理器与先进的的电力测量芯片制造的集自动化测量、LCD显示、模拟输出、脉冲输出、报警输出、RS485通讯为一体的高精度、数字化、多功能的智能化电力多参数综合监测仪。

该HD2000系列智能电力检测仪可测量单相或三相电力系统的所有参数,可显示,可远传,是电力系统各种电量变送器,电度表,电量数量仪表,数据集记录等仪器的最新换代产品,广泛应用于电力、石化、冶金、煤炭、市政等行业的电器装置与测量系统中。

二、技术指标

HD2000型智能电力监测仪

2、吸收功耗

每路电压:<0.4VA

每路电流:<0.1VA(5A)

3、过载能力

电压:750V连续/1000V10秒

电流:2倍额定连续/50倍额定1秒

4、测量系统接线方式

三相四相/三像三线/一相二线或

一相三线/三相三线平衡/三相四线平衡

5、可编程设定

编程模式:(口令)

测量系统选择:三相四相/三像三线/一相二线

三线/三相三线平衡/三相四线平衡

CT,PT变化:1~64000

显示内容:画面选择

通讯:波特率1200/2400/4800/9600/19200

校验位:无效验位

地址:1~247

电能累加复位:(口令)

6、通信

串行口:RS485(标准)/RS232(可选)

通讯规约:MODBUS-RTU

7、绝缘强度

对象:在输入/输出/电源之间

试验方法:AC3KV一分钟漏电电流2mA

8、浪涌

电源:4KV

I/O线:2KV

9、快速瞬变脉冲串

电源:4KV,2.5KHz

I/O线:2KV,5KHz

静电放电:接触放电:6KV

气隙放电:8KV

10、稳定性:温度影响:100ppm/℃

运行稳定性:<0.2%/年

11、工作条件

温度:-10~50℃

湿度:20~95%(无凝露)

12、储藏条件

温度:-30~70℃

湿度:20~95%无凝露

13:辅助电源

电源电压:AC85~265V50/60Hz

DC85~330V(标准)

DC18~90V(可选)

整机功耗:<4VA(最大6VA)

三、产品介绍

①可同时测量3I,3V,3P,ΣP,3Q,ΣQ,3S,ΣS,F,PF,±ΣWh,±ΣQh等参数

②具有时钟日历,有功(或无功)电能脉冲输出等功能

③点阵LCD显示,中英文界面可切换

④具有零线电流测量参考功能

⑤最多同时显示4个参数

⑥外型尺寸:120×120×139mm开孔尺寸92×92mm

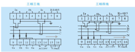
四、接线图

HD2000型智能电力监测仪

版权声明:网站转载的所有的文章、图片、音频视频文件等资料的版权归版权所有人所有。如果本网所选内容的文章作者及编辑认为其作品不宜公开自由传播,或不应无偿使用,请及时联络我们,采取适当措施,避免给双方造成不必要的经济损失。