• 周一. 10 月 13th, 2025

基于单片机实现短距离无线通信

5 月 5, 2019

短距离无线传输具有抗干扰性能强、可靠性高、安全性好、受地理条件限制少、安装灵活等优点,在许多领域有着广泛的应用前景。低功耗、微型化是用户对当前无线通信产品尤其是便携产品的实际需求,短距离无线通信逐渐引起广泛关注。常见的短距离无线通信有基于802.11的无线局域网WLAN、蓝牙 (blueTooth)、HomeRF及欧洲的HiperLAN(高性能无线局域网),但其硬件设计、接口方式、通信协议及软件堆栈复杂,需专门的开发系统,开发成本高、周期长,最终产品成本也高。因此这些技术在嵌入式系统中并未得到广泛应用。普通RF产品不存在这些问题,且短距离无线数据传输技术成熟,功能简单、携带方便,使其在嵌入式短程无线产品中得到了广泛应用。
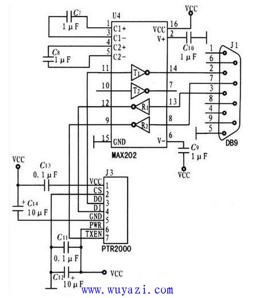
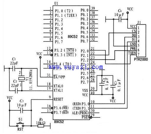
  单片机的时钟电路和复位电路:单片机时钟电路设计中,选择晶振频率11.059 2 MHz,约定PC机和单片机的通信速率为9 600 b/s,并选择相应电容与单片机的时钟引脚相连构成时钟回路。在复位电路设计中,采用复位引脚和相应的电容、电阻构成复位电路。单片机与PTR2000接口原理电路如图所示。
查看联系方式

版权声明:网站转载的所有的文章、图片、音频视频文件等资料的版权归版权所有人所有。如果本网所选内容的文章作者及编辑认为其作品不宜公开自由传播,或不应无偿使用,请及时联络我们,采取适当措施,避免给双方造成不必要的经济损失。