单片机应用于工业控制等方面时,经常要将电流、电压、温度、位移、转速等模拟量转换成数字量,然后在单片机内作进一步运算和处理,完成相应的数据存储、数据传输和数据输出,达到分析和控制的目的。
随着大规模集成电路的不断发展,很多单片机都有内置A/D模块,因此,单片机的A/D转换可以用内置A/D模块也可以用外置A/D电路完成,现谈谈单片机A/D转换的工作原理及优缺点,并分析提高A/D转换精度的方法。
1 A/D转换的工作原理及优缺点
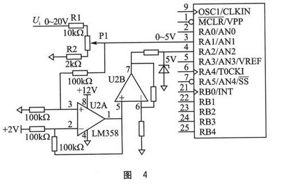
(1)单片机片内A/D转换单片机片内A/D转换是利用单片机的内置A/D模块,通过选择不同的模拟量通道进行A/D转换。可以将模拟量直接输入到单片机对应的输入脚,外围电路简单。转换后的数据直接保存在片内寄存器中,数据提取方便。但大多数单片机的内置A/D模块只有8位和10位,无法进行高精度的A/D转换,原理如图1所示。

该文章仅供学习参考使用,版权归作者所有。
因本网站内容较多,未能及时联系上的作者,请按本网站显示的方式与我们联系。
。 (本文来源网络整理,目的是传播有用的信息和知识,如有侵权,可联系管理员删除)
版权声明:网站转载的所有的文章、图片、音频视频文件等资料的版权归版权所有人所有。如果本网所选内容的文章作者及编辑认为其作品不宜公开自由传播,或不应无偿使用,请及时联络我们,采取适当措施,避免给双方造成不必要的经济损失。