• 周二. 10 月 14th, 2025

红外线反射式防盗报警器电路

4 月 22, 2019

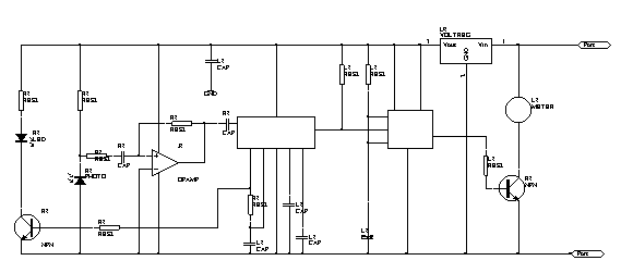
本装置是将红外线发射、接收电路组装在一起,做成了便于安装和使用的“一体化”防盗报警器。其特点是所发射的红外线遇到人或物时,被反射回一部分,经接收、处理后触发报警电路产生告警声,人或物离开有效监视区域后,报警器延时发声60秒后自动恢复到警戒状态。
电路原理:
本装置电路如图所示,它由红外线发射电路、红外线接收电路、放大及频率译码电路、单稳态延时电路、警报发生电路和电源变换电路六部分组成。
查看联系方式

版权声明:网站转载的所有的文章、图片、音频视频文件等资料的版权归版权所有人所有。如果本网所选内容的文章作者及编辑认为其作品不宜公开自由传播,或不应无偿使用,请及时联络我们,采取适当措施,避免给双方造成不必要的经济损失。