• 周二. 10 月 14th, 2025

视频监控系统终端电路图

7 月 3, 2019

视频监控系统越来越多地走进人们的生活, 系统节能也是电子系统必须考虑的一个重要参数。对一个少有人出入的场合, 采用不间断的实时监控不仅没有必要,也会浪费很多的电能。针对这种情况, 本文设计了一个无人值守的智能监控终端。在没有人进入监控区域时,监控终端处于低能耗的休眠状态; 当红外传感器检测到有人进入监控区域时, 终端被唤醒并开始摄像, 同时将处理后的视频信号经过网络传输到监控中心, 为中心值班人员提供判断依据。对于出入人员较少的场合, 利用该监控终端可以有效减少系统能耗, 减少传输、保存的数据量, 而且不会错过监控对象。
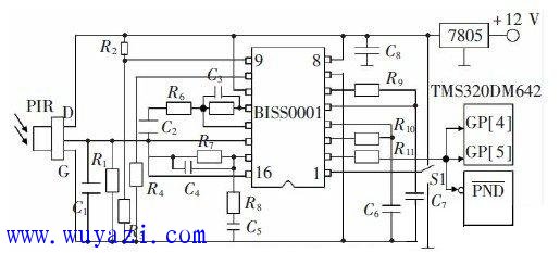
  红外传感信号处理模块
  为了节约电能, 本终端采用红外传感器来检测监控区域有无人员进入, 只在有人员进入监控区域时, 终端才进入图像采集、处理、传输状态。本设计采用BISS0001芯片为热释电红外传感信号处理核心元件, 其应用电路如图1所示。
查看联系方式

版权声明:网站转载的所有的文章、图片、音频视频文件等资料的版权归版权所有人所有。如果本网所选内容的文章作者及编辑认为其作品不宜公开自由传播,或不应无偿使用,请及时联络我们,采取适当措施,避免给双方造成不必要的经济损失。