• 周二. 10 月 14th, 2025

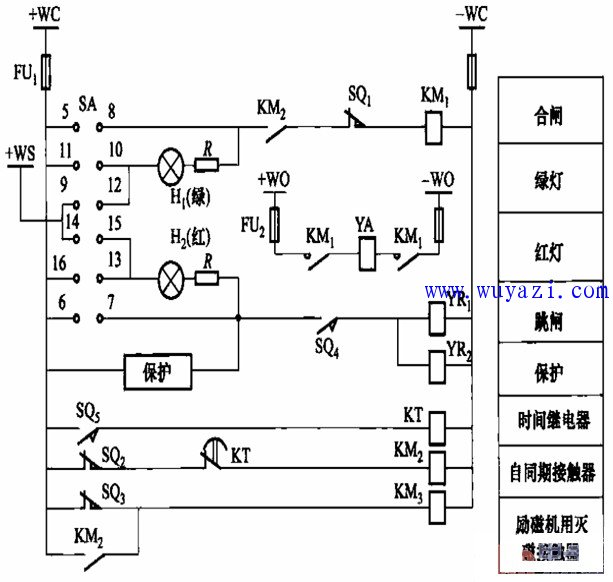
采用CD2-G型的灭磁开关控制电路图

6 月 14, 2019

一款采用CD2-G型的灭磁开关控制电路。如下图中,KMi为合闸接触器;YA为合闸线圈;YRi、YRz为跳闸线圈;SQi~SQs为终端开关;SA、KT、Hi、Hz同前。自动灭磁接触器KMz用于灭磁时在励磁机转子回路内接入灭磁电阻。
  
查看联系方式

版权声明:网站转载的所有的文章、图片、音频视频文件等资料的版权归版权所有人所有。如果本网所选内容的文章作者及编辑认为其作品不宜公开自由传播,或不应无偿使用,请及时联络我们,采取适当措施,避免给双方造成不必要的经济损失。