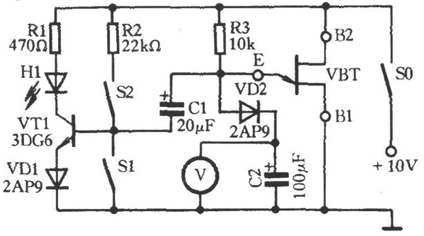
本文介绍的是一款单节晶体管性能测试电路图。如下图所示,被测单结晶体管VBT(设:BT33)与R3、C2组成张弛振荡器。VBT在导通时,三极管VT1通过偏置电阻R2获得偏置电流(此时S1断开,S2闭合),发光二极管H1发光。
其中,10V电源通过R3经VD2向C2充电。电压表V可以测量出C2两端的电压会随着时间的推移在不断上升,E端电位达到VBT的峰值电压时,VBT的E~B1间便自动导通,电容C1上的电压经E~B1放电,使三极管VT1的发射结受反偏截止,H1熄灭。如果被测 单结晶体管VBT是好的,电容C1就会周而复始地充电放电,H1就会明暗交替地闪光。若是H1一直亮着,可将VBT的B1、B2脚调换检测(这样也便于正确区分出Bl、B2管脚),要不然则此单节晶体管是坏管。