• 周二. 10 月 14th, 2025

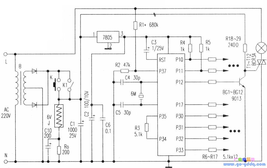
采用AT89C2051开发的彩灯控制电路

3 月 23, 2019

  此款非常适合各种彩灯、霓虹灯控制。电路见附图,其特点如下:
  1.储存了40种精选的花样不重复运行达5分钟;15个I/O口,除P34、P35、P37为功能测试端外,其余均为输出口,比4路、8路器更具动态感。
  2.过零触发彩灯控制器是频繁触发的,必须考虑干扰问题。电路中P37为过零检测端,通过Rl接AC220V,只有交流过零时,才触发。将P37端悬空则无过零触发功能。经多次实践对比证明,采用过零触发基本上无干扰。
  3.高低输出方式选择P34端仅接R3时,输出低电平有效;P34端另加5.1kΩ接地时,输出高电平有效,这使后级电路设计有很大的灵活性。
  4.速度调节去掉跨接在P34、P35之间的R3时,速度降为原来的1/3。
  5.自动定时开、关机功能电路设计成24小时自动循环开、关机,开4小时、关20小时。如晚上8点按开关K开机,吸合,K1接通,灯点亮,电路计时开始工作,12点时自动关灯,第二天晚上8点又自动开灯,晚上12点又自动关灯,周而复始。改变4和20两个数可改变开、关时间比。
  停电时,继电器释放,电路停止工作,来电后按开关K重新开始计时。
  元器件选择
  B为8―10W双6V,J为普通6V小型继电器,其他元件标称值见附图。RO、R1、R19―R29为1/2W金属膜电阻器,其余为1/4W金属膜电阻器。本电路无需调试,装上即可运行。

查看联系方式

版权声明:网站转载的所有的文章、图片、音频视频文件等资料的版权归版权所有人所有。如果本网所选内容的文章作者及编辑认为其作品不宜公开自由传播,或不应无偿使用,请及时联络我们,采取适当措施,避免给双方造成不必要的经济损失。