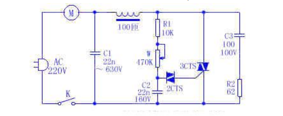
可控硅是可控硅整流器的简称。可控硅有单向、双向、可关断和光控几种类型。它具有体积小、重量轻、效率高、寿命长、控制方便等优点,被广泛用于可控整流、调压、逆变以及无触点开关等各种自动控制和大功率的电能转换的场合。
单向可控硅是一种可控整流电子元件,能在外部控制信号作用下由关断变为导通,但一旦导通,外部信号就无法使其关断,只能靠去除负载或降低其两端电压使其关断。单向可控硅是由三个PN结PNPN组成的四层三端半导体器件与具有一个PN结的二极管相比,单向可控硅正向导通受控制极电流控制;与具有两个PN结的三极管相比,差别在于可控硅对控制极电流没有放大作用。
可控硅导通条件:一是可控硅阳极与阴极间必须加正向电压,二是控制极也要加正向电压。以上两个条件必须同时具备,可控硅才会处于导通状态。另外,可控硅一旦导通后,即使降低控制极电压或去掉控制极电压,可控硅仍然导通。 可控硅关断条件:降低或去掉加在可控硅阳极至阴极之间的正向电压,使阳极电流小于最小维持电流以下。
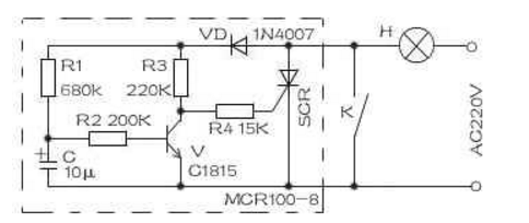
简易单向可控硅12V触摸开关电路
触摸一下金属片开,SCR1导通,负载得电工作。触摸一下金属片关,SCR2导通,继电器J得电工作,K断开,负载失电,SCR2关断后,电容对继电器J放电,维持继电器吸合约4秒钟,故电路动作较为准确。 如果将负载换为继电器,即可控制大电流工作的负载。











版权声明:网站转载的所有的文章、图片、音频视频文件等资料的版权归版权所有人所有。如果本网所选内容的文章作者及编辑认为其作品不宜公开自由传播,或不应无偿使用,请及时联络我们,采取适当措施,避免给双方造成不必要的经济损失。