• 周二. 10 月 14th, 2025

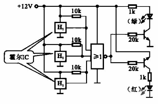
公交车车门状态检测电路

6 月 22, 2019

  上图所示为一种公共汽车门状态检测电路,该电路主要是由三只霍尔传感器构成的,适用于各种汽车中对其门状态的指示。三只霍尔传感器分别安装在公共汽车门的门框上,并在车门适当的位置安装有磁体。当车门处于打开状态时,磁体距离霍尔传感器较远使其输出端输出高电平。若三个霍尔传感器任意一个检测到门未关或未锁好,则或非门输出低电平,红色指示灯亮;若三个传感器均输出高电平,与非门输出高电平,绿色指示灯亮,实时呈现车门当前状态。

。 (本文来源网络整理,目的是传播有用的信息和知识,如有侵权,可联系管理员删除)

版权声明:网站转载的所有的文章、图片、音频视频文件等资料的版权归版权所有人所有。如果本网所选内容的文章作者及编辑认为其作品不宜公开自由传播,或不应无偿使用,请及时联络我们,采取适当措施,避免给双方造成不必要的经济损失。