• 周二. 10 月 14th, 2025

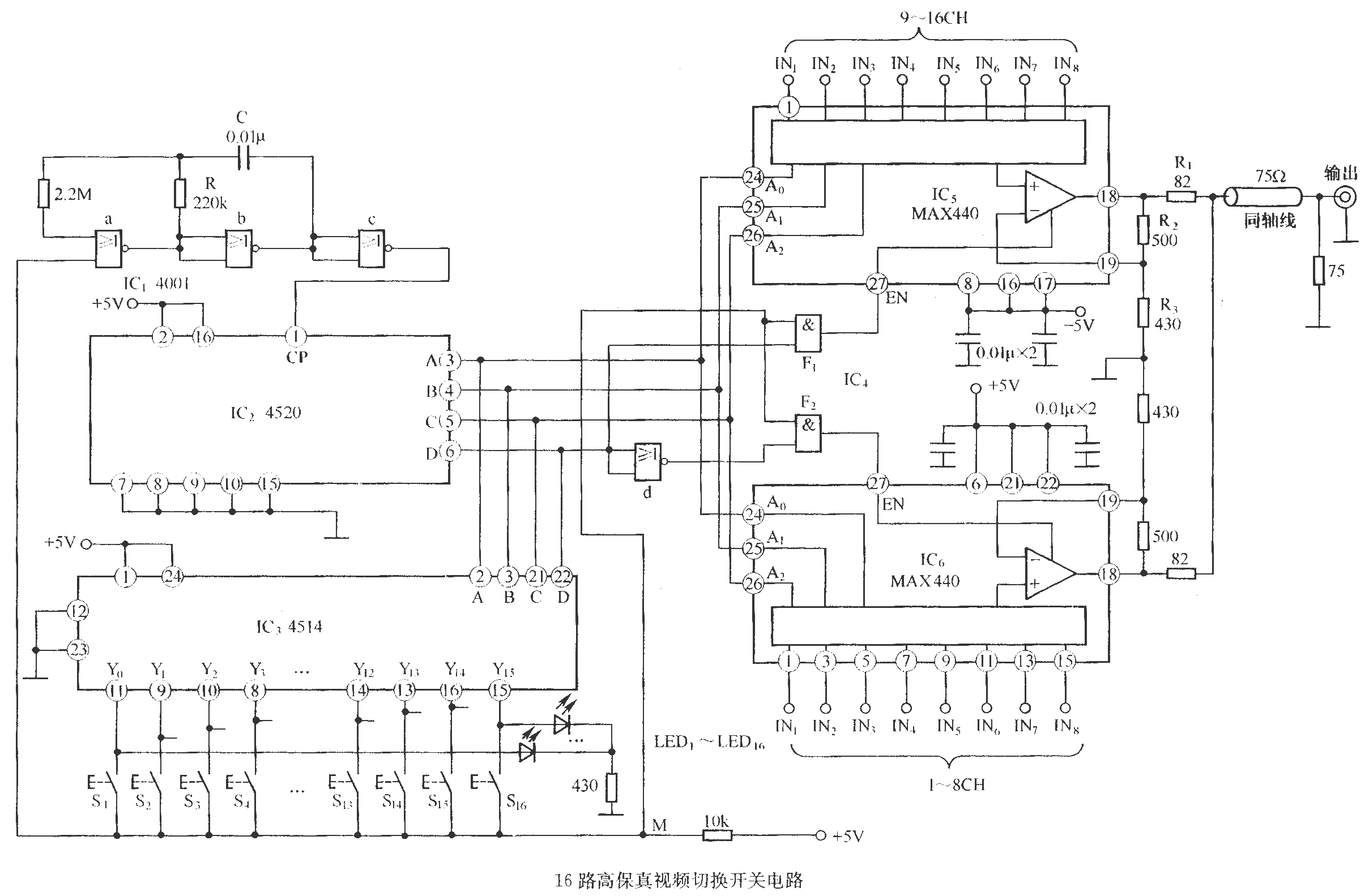
16路高保真视频切换开关电路图

6 月 6, 2019

本例采用了高保真视频处理专用电路Max440。Max440内部提供了典型值为±2.5mV低输入偏移电压、低差动增益值、低差动相位值(分别为0.04%,0.03°)及低串扰(-66dB)电路;最高工作频率160MHZ,转换速率370V/us。应用电路如图16—23所示。
查看联系方式

版权声明:网站转载的所有的文章、图片、音频视频文件等资料的版权归版权所有人所有。如果本网所选内容的文章作者及编辑认为其作品不宜公开自由传播,或不应无偿使用,请及时联络我们,采取适当措施,避免给双方造成不必要的经济损失。