• 周二. 10 月 14th, 2025

32位低功耗立体声编解码器电路图

6 月 14, 2019

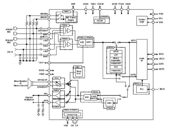
编解码器,一个麦克风,一个耳机和扬声器放大器。该输入电路包括一个麦克风放大器和一个ALC(自动电平控制)电路,输出电路包括一个无盖的耳机放大器和扬声器放大器。这是适合与记录/重放功能的便携式应用。集成的电荷泵电路产生的负电压,并移除AC耦合 ??电容的输出。扬声器放大器具有较宽的工作电压范围是从0.9V到5.5V,电池能够直接驱动。AK4954A可在一个小型的32引脚QFN(4×4MM0.4毫米间距),利用较少的电路板空间比竞争产品。

版权声明:网站转载的所有的文章、图片、音频视频文件等资料的版权归版权所有人所有。如果本网所选内容的文章作者及编辑认为其作品不宜公开自由传播,或不应无偿使用,请及时联络我们,采取适当措施,避免给双方造成不必要的经济损失。