• 周二. 10 月 14th, 2025

136 由运放等构我的电流/电压基本转换电路

5 月 9, 2019

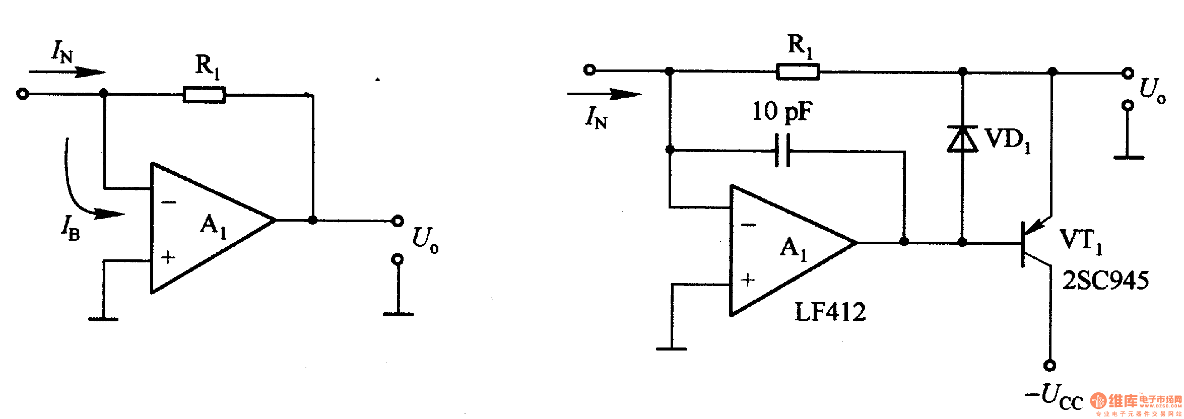
图1-36是由运放等构成的电流/电压基本转换电路。图1-36(a)所示的是由单个运放构成的电流/电压转换电路。由于运放本身的输入偏置电流不为零,因此会产生转换误差。例如,运放μA741的偏置电流IB≈80nA认,即使允许误差为1%,最小转换电流为几十微安左右;对于Bi-FET输入型运放,IB约为几十皮安,最小转换电流可到几纳安。对于J-FET输入型运放,其偏置电流具有正温度系数,当结温度每升高10℃,偏置电流增加到2倍左右。进行较大电流转换时,可采用图1-36(b)所示的电路,增设输出缓冲放大器VTl。

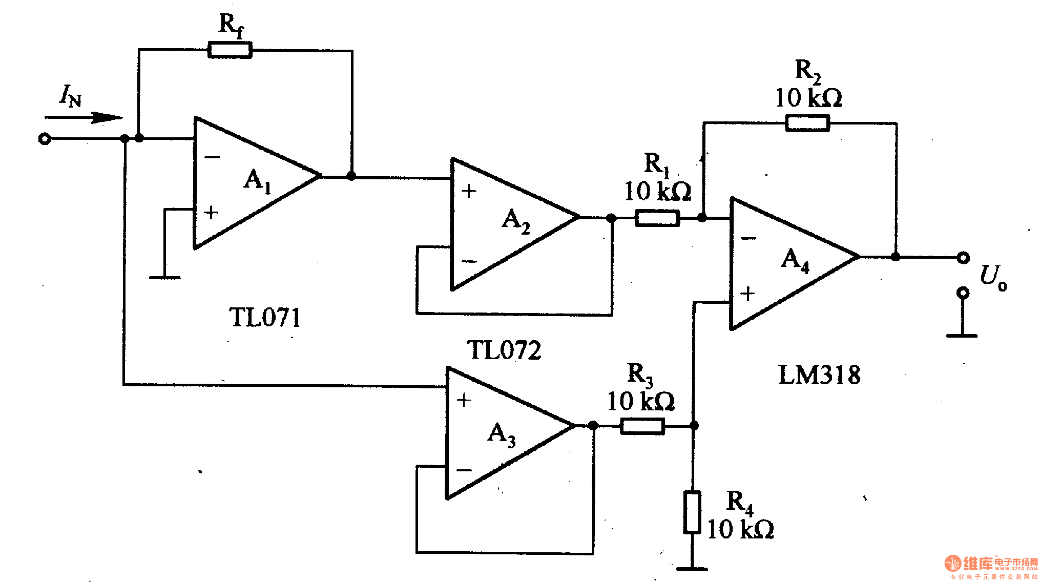
图1-36(c)所示的是精密的电流/电压转换电路。Al要选用低噪声运算放大器,这里使用TLO71;也要选用宽带运算放大器,这里使用LM318。它们可以确保将输入电流fN准确地转换为输出电压U。。
查看联系方式

版权声明:网站转载的所有的文章、图片、音频视频文件等资料的版权归版权所有人所有。如果本网所选内容的文章作者及编辑认为其作品不宜公开自由传播,或不应无偿使用,请及时联络我们,采取适当措施,避免给双方造成不必要的经济损失。