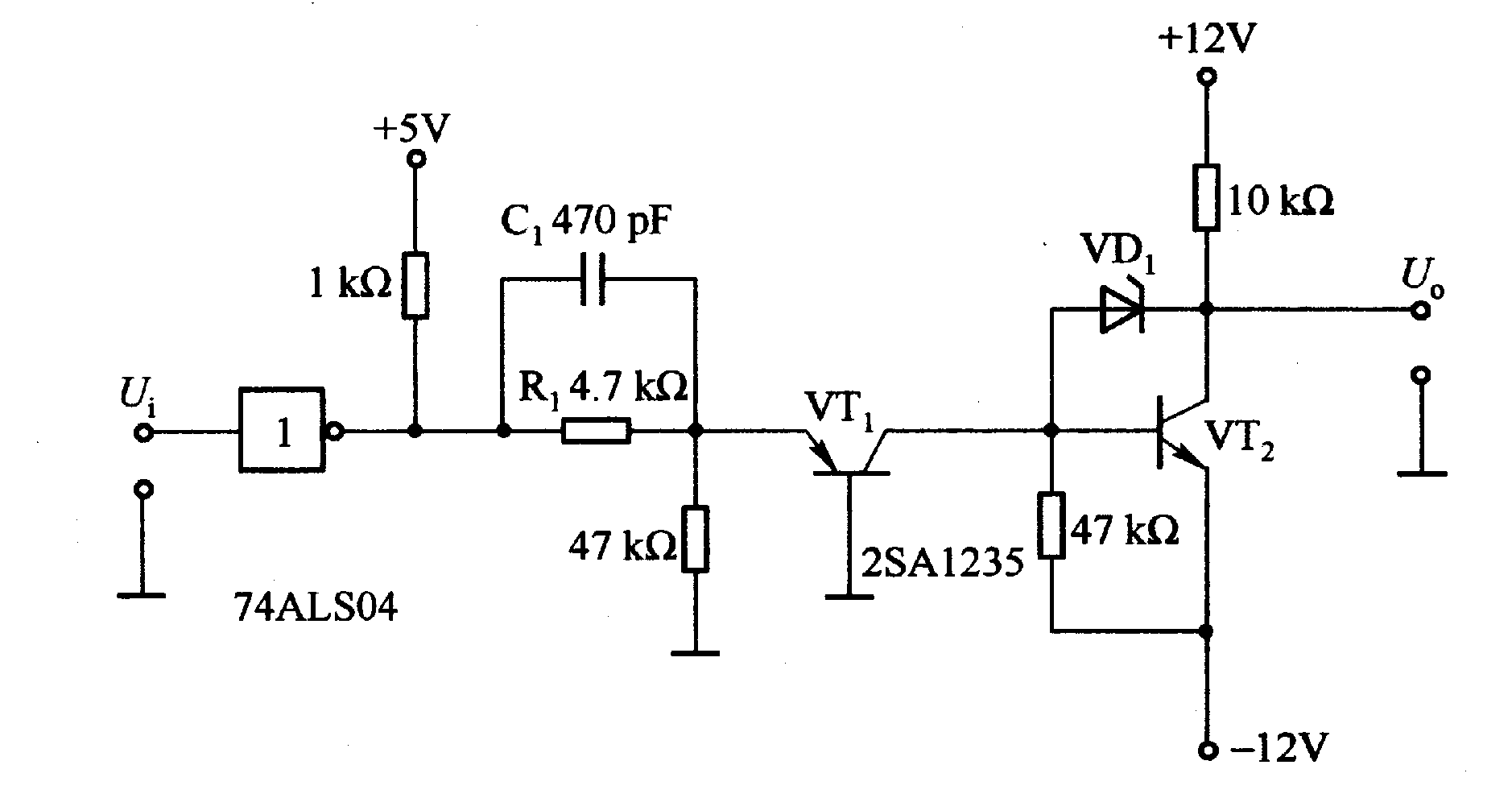
图1-54是TTL电平/士l2V电平的转换电路。电路中,VTl是基极接地的开关电路。当74LSO4输出高电平时,VTl导通,其集电极电流变为VT2的基极电流,VT1也导通,输出U。的电平变为-l2V并与VT2的集电极饱和电压相加。这种电路本身不能高速开关工作。若与Rl并联容量为几百pF的电容Cl,并在VT2的基极-集电极间接入肖特基二极管VD1,可使VT2导通时不是完全饱和状态,因此在一定程度上会提高开关频率。
查看联系方式
154 TTL电平/l2V电平的转换电路
版权声明:网站转载的所有的文章、图片、音频视频文件等资料的版权归版权所有人所有。如果本网所选内容的文章作者及编辑认为其作品不宜公开自由传播,或不应无偿使用,请及时联络我们,采取适当措施,避免给双方造成不必要的经济损失。