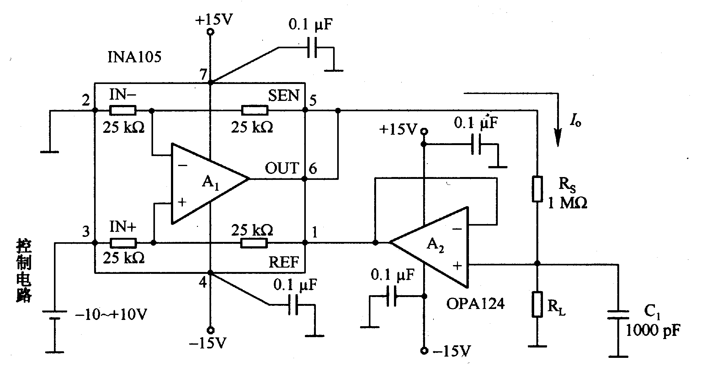
图1-55是由INA105等构成的电压/电流转换电路。它可将士10V的控制电压转换为士lOμA的微小电流。这种电路用做离子化学反应的微小电流发生器。电路中,采用片内有电阻的A1(INA105)和低偏置电流运放A2(OPA124)可使转换精度达到0·1%。输出电流的下限由印制板上的漏电流与所要求的输出信号电流跟燥声电流之比决定。接入电容Cl,可使
电路嗓声电流的有效值由约317nA减小到3·9nA。噪声电流达到μA数量级时,流经Rs与负载的接线电流会产生较大误差。负载与A2的输入端接线加保护环,可有效驱动负载。输出电流增加时,要减小Rs。
155 由INA105等构成的电压/电流转换电路
版权声明:网站转载的所有的文章、图片、音频视频文件等资料的版权归版权所有人所有。如果本网所选内容的文章作者及编辑认为其作品不宜公开自由传播,或不应无偿使用,请及时联络我们,采取适当措施,避免给双方造成不必要的经济损失。