• 周二. 10 月 14th, 2025

ARM光学指纹识别系统模块电路

7 月 2, 2019

  本系统采用光学指纹传感器与ARM Cortex M3 内核意法半导体公司的32 位高性能单片机STM32F205RE 组成功能主体,采用Sobel 边缘检测算子、Gabor 滤波、图像二值化等图像采集与处理算法对指纹图像进行识别,构建了小体积的嵌入式指纹识别模块,具有积木式嵌入、微功耗、程序接口简单易用、便于二次开发、识别准确度高、高性价比等特点。

  系统硬件电路设计

  整个系统设计构成了一体化光学指纹识别模块。模块设计采用光学暗背景成像原理,加入特有活体检测芯片,在解决干手指效应的同时解决残留指纹误识别、橡胶假指纹等问题。

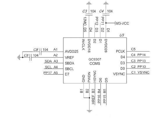
  图所示为光学GC0307 CMOS 图像采集芯片应用电路原理图。该款CMOS 图像采集芯片是高精度、低功耗、微体积的高性能相机的内置式组件,它把实现优质VGA 影像的CMOS 影像传感器与高度集成的影像处理器、嵌入式电源和高质量的透镜组结合在一起,输出JPEG 图像或图像视频流,支持8/10 位数字传输JPEG 图像和YCbCr 接口,提供了完整的影像解决方案。

  CMOS 图像采集芯功能输出串行数据引脚、时钟信号引脚、复位引脚、串行总线引脚等都接入到STM32F205RE的GPIO 口, 通过GPIO 口模拟时序读取CMOS 芯片采集到的图像信息。由于STM32F205RE 的GPIO 口工作频率可达120 MHz,因而可以非常准确高效地模拟时序,实测640×480 的原始图像能以10 帧/s 的速度采集到主处理器STM32F205RE 中进行图像处理。

该文章仅供学习参考使用,版权归作者所有。
因本网站内容较多,未能及时联系上的作者,请按本网站显示的方式与我们联系。
。 (本文来源网络整理,目的是传播有用的信息和知识,如有侵权,可联系管理员删除)

版权声明:网站转载的所有的文章、图片、音频视频文件等资料的版权归版权所有人所有。如果本网所选内容的文章作者及编辑认为其作品不宜公开自由传播,或不应无偿使用,请及时联络我们,采取适当措施,避免给双方造成不必要的经济损失。