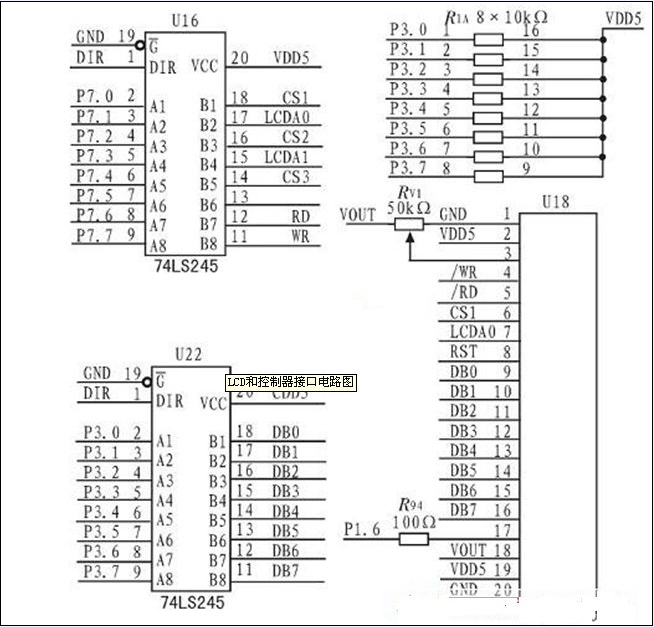
LCD和控制器接口设计中选用741S245作为总线驱动器,并在单片机引脚加入5 V上拉电阻。设计中选用741S245作为总线驱动器,并在单片机引脚加入5 V上拉电阻,这样即可保证信号的驱动能力,接口电路原理图如下图所示:
基于741S245的总线驱动器电路图
版权声明:网站转载的所有的文章、图片、音频视频文件等资料的版权归版权所有人所有。如果本网所选内容的文章作者及编辑认为其作品不宜公开自由传播,或不应无偿使用,请及时联络我们,采取适当措施,避免给双方造成不必要的经济损失。
LCD和控制器接口设计中选用741S245作为总线驱动器,并在单片机引脚加入5 V上拉电阻。设计中选用741S245作为总线驱动器,并在单片机引脚加入5 V上拉电阻,这样即可保证信号的驱动能力,接口电路原理图如下图所示:
版权声明:网站转载的所有的文章、图片、音频视频文件等资料的版权归版权所有人所有。如果本网所选内容的文章作者及编辑认为其作品不宜公开自由传播,或不应无偿使用,请及时联络我们,采取适当措施,避免给双方造成不必要的经济损失。