• 周二. 10 月 14th, 2025

一位数码显示的数显式定时器

6 月 10, 2019

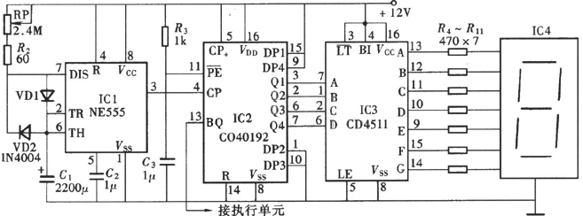
本文介绍的是一位数码显示的数显式定时器,它的显示单位要根据时基信号的单位而定。本电路由时基信号发生器、时间计数器、数码译码器和数码显示器组成。

查看联系方式

版权声明:网站转载的所有的文章、图片、音频视频文件等资料的版权归版权所有人所有。如果本网所选内容的文章作者及编辑认为其作品不宜公开自由传播,或不应无偿使用,请及时联络我们,采取适当措施,避免给双方造成不必要的经济损失。