• 周二. 10 月 14th, 2025

触摸式电子开关电路(五)

4 月 18, 2019

NE555

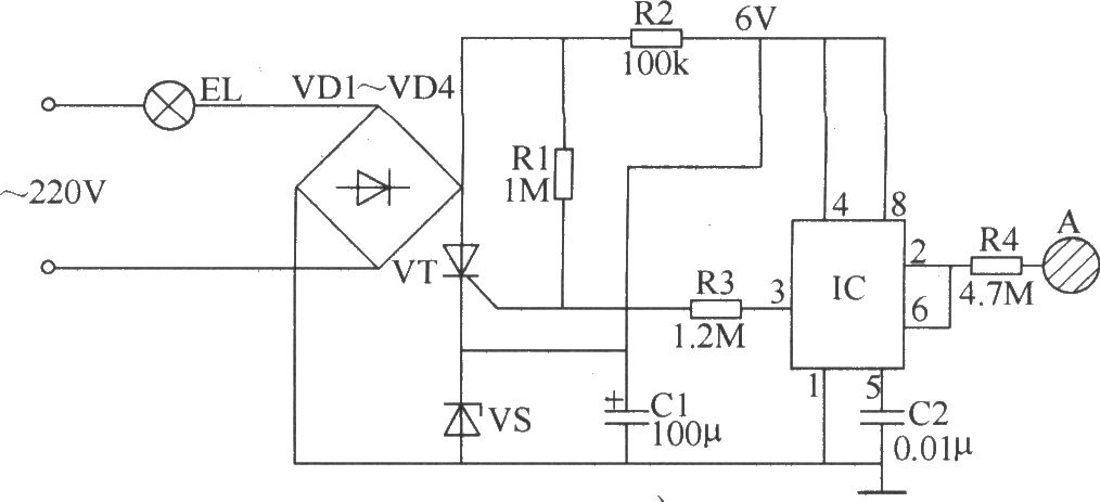
本例介绍的触摸式电子开关电路,采用二线制接法,可以方便地取代普通机械灯开关。 该触摸式电子开关电路由时基集成电路IC(NE555)、晶闸管VT、整流二极管VD1、VD4、稳压二极管VS等组成,如图所示。
查看联系方式

版权声明:网站转载的所有的文章、图片、音频视频文件等资料的版权归版权所有人所有。如果本网所选内容的文章作者及编辑认为其作品不宜公开自由传播,或不应无偿使用,请及时联络我们,采取适当措施,避免给双方造成不必要的经济损失。