• 周二. 10 月 14th, 2025

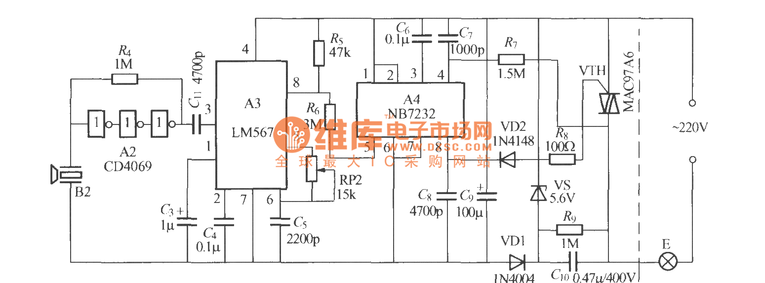
超声波遥控调光灯电路

3 月 17, 2019

CD4069LM567NB7232MAC97A6TCT40-12F2TCT40-12F2

超声波发射器电路:

查看联系方式

版权声明:网站转载的所有的文章、图片、音频视频文件等资料的版权归版权所有人所有。如果本网所选内容的文章作者及编辑认为其作品不宜公开自由传播,或不应无偿使用,请及时联络我们,采取适当措施,避免给双方造成不必要的经济损失。