• 周三. 10 月 15th, 2025

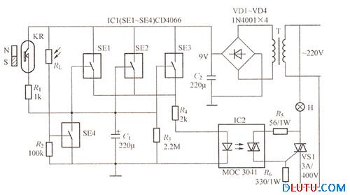
门厅灯自动开关电路图

6 月 1, 2019

门厅灯自动开关电路如图所示。IC1是一块模拟开关CD4066,其中的SE1、SE2、SE3电子开关用于延时,并经R4驱动光耦合器IC2和晶闸管VS1,以便对照明灯H进行控制。电子开关SE4与光敏电阻RL等元件构成环境光线检测电路。KR为干簧继电器,其触点为动断状态,它与R1、R3及C1构成充放电回路。干簧继电器KR及全部电路安装在门框上,在房门对应的位置上固定小型永久磁铁,形成磁控开关,当门关闭时,在永久磁铁的作用下,干簧继电器KR的触点断开,使电子开关SE1~SE3的控制端经R3接地,所以SE1~SE3处于断开状态,IC2及V⒊均为阻断,照明灯H不亮。

查看联系方式

版权声明:网站转载的所有的文章、图片、音频视频文件等资料的版权归版权所有人所有。如果本网所选内容的文章作者及编辑认为其作品不宜公开自由传播,或不应无偿使用,请及时联络我们,采取适当措施,避免给双方造成不必要的经济损失。