• 周三. 10 月 15th, 2025

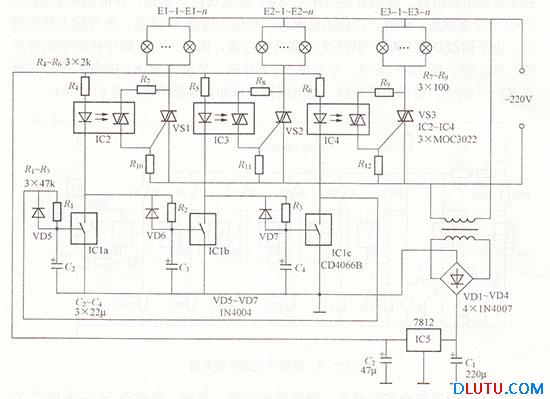
流水灯控制电路图

4 月 13, 2019

流水灯控制电路如图所示。电路中的IC1a、E1b及IC1c为CD4066B中的三个电子开关,IC2、IC3、IC4为晶闸管光耦器件,电源接通时均处于断开状态。12V直流电源分别经R准、R5、R6、Iα~Iα中的发光二极管及Rl~R3对电容C2~C3充电。由于电阻R1~R3阻值较大,流过发光二极管的电流很小,所以不会触发晶闸管导通。
由于电路元件参数的离散性,向G~C3充电的速度必有差别。现假定对C3的充电速度最快,当C3充电达到IC1的动作阈值电压时,IC1b中的电子开关首先闭合,IC3中的发光二极管发光,使内部的晶闸管导通,触发大功率的双向晶闸管VS2导通,灯组E2-1~E2―n发光。此时,由于R3的上端被IC1b中的电子开关接地,C4放电,但0仍继续充电。当G上的电压充电到E1的阈值电压时,IC1a中的电子开关闭合,光耦器件I@导通,灯组E1-1~E2―n发光。此时,G通过VD0和E1a中的电子开关放电,使IC1b中的电子开关立关断,灯组E2熄灭。IC1b断开后,G重新充电。随后,IC1c中的电子开关闭合,灯组E3-1~E3―n发光,灯组E1熄灭。如此周而复始进行下去,三组灯呈流水状发光。

查看联系方式

版权声明:网站转载的所有的文章、图片、音频视频文件等资料的版权归版权所有人所有。如果本网所选内容的文章作者及编辑认为其作品不宜公开自由传播,或不应无偿使用,请及时联络我们,采取适当措施,避免给双方造成不必要的经济损失。