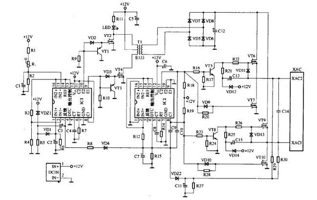
本文将介绍一款常见车载逆变器电路及工作原理。该车载逆变器的输出功率为70W-150W,逆变器电路中主要采用TL494或KA7500芯片为主的脉宽调制电路。
车载逆变器指标:
输入电压:DC 10V~14.5V;
输出电压:AC 200V~220V±10%;
输出频率:50Hz±5%;
输出功率:70W~150W;
转换效率:大于85%;
逆变工作频率:30kHz~50kHz。
一款常见车载逆变器电路图及原理
版权声明:网站转载的所有的文章、图片、音频视频文件等资料的版权归版权所有人所有。如果本网所选内容的文章作者及编辑认为其作品不宜公开自由传播,或不应无偿使用,请及时联络我们,采取适当措施,避免给双方造成不必要的经济损失。