• 周三. 10 月 15th, 2025

基于RY180制作的光带式模拟温度计电路图

3 月 30, 2019

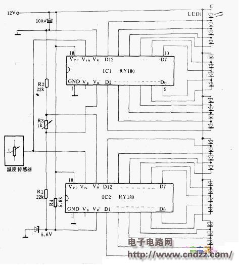
本文介绍两种采用单片双极型集成电路(RY180)制作的光带式模拟温度计。这种温度计的特点是:既有类似于常用玻璃柱式温度计直观性强的优点,又具有数字显示式温度计明亮清晰、远视容易的特点。它是由光点结构组成光带长度来表示温度值,显示温度范围容易自由设定。
RY180集成电路采用双列直插式18脚塑封。其主要参数为:电源电压范围为10–18V:输入电压(VIN)范围为o~6V;基准输入电压范围(VR+-VR-)为0~6V:静态耗电流约5mA:各输入端电流1IN≤1μA:输出驱动(吸入)电流约lOmA:光点平滑过渡时的基准电压(VR+-VR-)≤1V:工作温度范围TA为-25℃~+85℃存放温度范围TS为-40℃~+125℃。RY180引脚符号参见下图。
查看联系方式

版权声明:网站转载的所有的文章、图片、音频视频文件等资料的版权归版权所有人所有。如果本网所选内容的文章作者及编辑认为其作品不宜公开自由传播,或不应无偿使用,请及时联络我们,采取适当措施,避免给双方造成不必要的经济损失。