读图
要看懂一个电原理图,即弄清电路由哪几部分组成及
的联系和总的性能(如有
,还要粗略估算性能指标)。电子电路的主要任务是对信号进行
,只是
的方式(如放大、滤波、变换等)及效果不同而已,
读图时,应以所
的信号流向为主线,沿信号的主要通路,以基本单元电路为依据,将整个电路分成若干具有独立功能的部分,并进行分析。具体步骤可归纳为:了解用途、找出通路、化整为零、分析功能、统观整体。下面以741型晶体管收音机电路(见图1)为例进行说明,以期对电子爱好者的学习有所帮助。(注
让初学者能
参考其他类似电路,未对图中元器件名称符号作变动。

一、了解用途
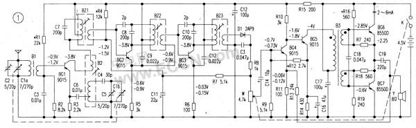
了解所读的电子电路原理图用于何处、起什么作用,对于弄请电路工作原理、各部分的功能及性能指标都有指导意义。浏览图1可知:这是一个典型的晶体管收音机电路图,其用途是将接收到的高频信号通过输入电路后与收音机本身产生的一个振荡电流一起送入变频管内进行”混合”(混频),混频后在变频级负载回路(选频)产生一个新的频率(差频),即中频(465 kHz),然后通过中放、检波、低放、功放后,推动扬声器发声。当然,还要求对振荡频率进行调节(f振-f信=465kHz),并能调节音量的大小。
二、找出通路
指找出信号流向的通路。通常,输入在左方、输出在右方(面向电路图).信号传输的枢纽是有源器件,
可按
的连接关系来找.从左向右看过去,此电路的有源器件为BG1(变频管)、BG2与BG3(中放管)、BG4与BG5(低放管)、BG6与BG7(功放管),
可大致推断信号是从BGl的基极输入,
振荡并混频后产生中频信号,再
两级中放,然后由检波器把中频信号变成音频信号,最后
低放、功放后送至扬声器,这样,信号的通路就大致找了出来。通路找出后,电路的主要组成部分也就出来了。
据各基本单元分成若干具有细程度与读者掌握电路类型的多少及经验有关。
根据上述通路可清楚地看出,整个电路可分别以BZ1及D1(2AP9)为界分成三部分,我们称之为变频级、中放级(
检波级)和低功放级(输出)。
四、分析功能
划分成单元电路后,根据已有的知识,定性分析每个单元电路的工作原理和功能。
1.输入回路和变频级
该部分的任务是将接收到的各个频率的高频信号转变为一个固定的中频频率(465kHz)信号输送到中放级放大。它涉及到两个调谐回路:一个是输入调谐回路,一个是本机振荡回路。输入调谐回路选择电感耦合形式(磁棒线圈B1),本机振荡回路选择变压器耦合振荡形式(B2)。
双连可变电容器(C1a、C1b)可同轴同步调谐输入回路和本机振荡回路的槽路频率,因而可使二者的频率差保持不变。
变频级电路的本振和混频由 只三极管BG1担任。
三极管的放大作用和非线性特性,
可获得频率变换作用。从图1中可以看出这是一个振荡电压由发射极注入、信号由基极注入的变频级。两个信号
在晶体管内混合,通过晶体管的非线性作用再通过中频变压器BZ1的选频作用,选出频率为f振-f信=465kHz的中频调幅波送到中放级。
2.中放级(含波)
1)中频放大级
中放级采用的是两级单调谐中频放大。变频级输出的中频调幅波信号由BZ1次级送到BG2的基极进行放大,放大后的中频信号再送到BG3的基极,由BZ3次级输出被放大的信号,三个中频变压器都应准确调在465kHz。
中频放大级的特点是用并联的LC调谐回路作负载。其原因是:并联谐振回路同串联谐振回路一样,能对某一频率的信号产生谐振,不同的是在谐振时,串联谐振回路的阻抗很小,电路中的电流很大,阻抗越小,Q值越高;而并联谐振回路在谐振时,阻抗很大,回路两端电压很高,并联阻抗越大,损耗越小,Q值越高。
中频放大器采用了谐振于465kHz的并联回路作负载,
用了中频放大器后,大大提高了整机的选择性。
2)检波级
在超外差式收音机中,虽然
变频级把高频信号变成了中频信号,但是中频信号仍然是调幅信号,
依靠检波器把中频信号变成低频信号(音频信号),BZ3次级送到检波二极管的中频信号被截去了负半周,变成了正半周的调幅脉动信号,再选择合适的电容量滤掉残余的中频信号,
取出音频成分送到低放级。
检波输出的音频脉动信号经R7、C13滤波得到的直流成分
自动增益(AGC)电压,馈入第一中放管BG2基极,以达到自动稳定中放增益的目的。
3.低功放级
1)低放电路
从检波级输出的中频信号,还
进行放大再送到扬声器。
获得较大的增益,通常前级低频放大选用BG4、BG5两级。
BG4、BG5采用直接耦合方式。BG4基极的偏置电压取自于BG5发射极电阻R14上的电压,
对直流工作点有强烈的负反馈,有利于稳定工作点。低放级与功放级
的激励采用的
是变压器(B3)耦合方式。
2)功放级
功放级采用两只
类型的NPN管子BG6、BG7组成OTL对称式电路,两管轮流工作,使负载(扬声器)上得到完整的正弦波电压。
R16、R17组成BG6的偏置电路,R18、R19组成BG7的偏置电路,与负载耦合的电容器C21起着重要的作用,
它的充放电过程代替一个电源的效果,从而减少一个电源(详细原理这里不再赘述)。
R15、C12、C16组成电源滤波电路,电容C19用来改善音质。
六、统观整体
先将各部分的功能用框图表示出来(
文字表达式、传输特性、信号波形等方式在框图中注出),然后根据
的关系进行连接,画成一个整体的框图(如图2),从
框图就可以看出各单元电路
是如何互相配合来实现电路功能的。图中标出了各基本单元的名称、
联系和所对应的电路符号。
至此,电路的基本
就大致清楚了,
指出的是:对于不同水平的读图者或不同的电路,所采取的具体步骤
是不一样的,上述方法仅供参考。至于电路中的次要部分和
哪些元件的参数能改善哪些技术指标,以及对各部分电路的性能进行定量估算以进一步得出整个电路的性能指标等,则
根据读图者的能力自行分析了。
最后顺便给出概括读图的口诀:弄清用途,化繁为简,抓住两头,找出电源。以管为主,从左到右,分析电位,揪住地线。抓住两头,是指抓住输入、输出两头,分析信号的输入回路和最后输出的控制对象;找出电源,是指搞清楚各部分所用电源电压的极性和大小以及
的来源:分析电位、揪住地线,是指分析管子和某一节点的电位变化时,
要以”共地线”为基准,否则就搞不清电位变化的趋向,这在分析负反馈作用中是尤为主要的。
>>
。 (本文来源网络整理,目的是传播有用的信息和知识,如有侵权,可联系管理员删除)
版权声明:网站转载的所有的文章、图片、音频视频文件等资料的版权归版权所有人所有。如果本网所选内容的文章作者及编辑认为其作品不宜公开自由传播,或不应无偿使用,请及时联络我们,采取适当措施,避免给双方造成不必要的经济损失。