在家电维修过程中,因电容漏电或容量变化而引发的故障可谓屡见不鲜且故障现象各异。
的指针万用表和部分数字万用表都无法测量电容,特别是那些小电容,给维修造成很大的不便。在此,我给大家介绍几种小容量电容的测量方法,供参考。
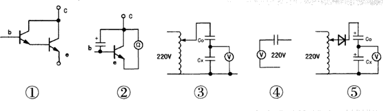
方法l:找一个β≥250的晶体三极管(要求穿透电流要小),如一时找不到,
两只同型号的三极管复合成达林顿形式,见图1。将被测电容并接在三极管的c-e结(若为有极性电容则电容正极接三极管c极),然后用万用表R×10k挡,黑表笔接c极,红笔接e极,见图2,观察表针瞬时摆动程度。照此法用几个已知容量的正常(高精确度)的电容反复测试,记录下表针每次的瞬时最大摆动幅值,l进行
计算,算出表盘上每小格应代表的电容值,备日后参考之用。对电容进行测量时,通过对所测电容表针摆动幅度与参考幅度进行比较可判断电容的好坏。
方法2:找一个高精确度已知容量的电容(耐压250V
)和一个自耦输出电压可调的变压器,见图3。Cn为已知电容,Cx为待测电容,接好线通电之后测Cx与Cn上各自的分压,但需注意电源变压后的输出电压不应大于Cx的耐压。
可根据公式Uo/Ux=Co/Cx推算出Cx的容量。若Cx的耐压在300V
,则可直接将两只串联电容接于220V的交流电源(注:此法只适应非极性电容)。 方法3:若电容耐压在400V
且只需估测电容容量,则可按图4接线,让被测电容与万用表某一表笔串接后,将万用表拨到电压挡(250V)测交流电压,如此用多个已知电容测试,记住表针摆动幅度,这样可为以后估测电容提供依据(注:此法只限非极性电容)。 方法4:电解电容的测量。因电解电容存在极性问题,可照图5接一个半波整流二极管,根据被测电容的耐压适当选择自耦变压器的输出电压。Co为已知容量的电解电容,cx为待测电容,照图接线测量后,根据公式Co/Cx=U0/Uv可算出Cx容量。

本方法根据本人多年实验,效果很好,特别推荐大家使用。
用指针万用表的人
,而能用指针万用表测电容容量的方法很少,希望上面的方法对你有帮助。
>>
。 (本文来源网络整理,目的是传播有用的信息和知识,如有侵权,可联系管理员删除)
版权声明:网站转载的所有的文章、图片、音频视频文件等资料的版权归版权所有人所有。如果本网所选内容的文章作者及编辑认为其作品不宜公开自由传播,或不应无偿使用,请及时联络我们,采取适当措施,避免给双方造成不必要的经济损失。